EasyManua.ls Logo

Honeywell 7800 SERIES

Honeywell 7800 SERIES
16 pages
To Next Page IconTo Next Page
To Next Page IconTo Next Page
To Previous Page IconTo Previous Page
To Previous Page IconTo Previous Page
Loading...
RM7885A 7800 SERIES RELAY MODULES
32-00215—01 10
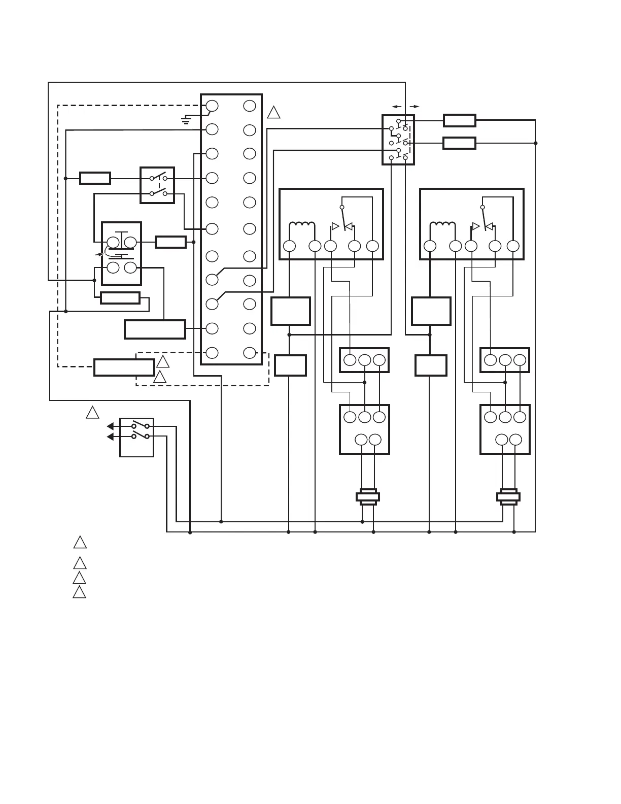
Fig. 6. Dual fuel with high-low or modulating burner.
M15106A
G
L2
3
5
6
7
8
9
10
F
(L1)
13
14
15
16
17
18
19
20
21
22
12
MASTER
SWITCH
IGNITION
LOW FIRE MOTOR
END SWITCH
120 VAC, 50/60 HZ (RM7885A); 220-240 VAC, 50/60 HZ (EC7785A) POWER SUPPLY.
PROVIDE DISCONNECT MEANS AND OVERLOAD PROTECTION AS REQUIRED.
DO NOT CONNECT ANY WIRES TO UNUSED TERMINALS.
SEE FLAME DETECTOR SPECIFICATION FOR CORRECT WIRING.
220-240 VAC TO 120 VAC, 10 VA MINIMUM, STEPDOWN TRANSFORMER
(NOT PROVIDED) REQUIRED TO DRIVE SHUTTER (EC7885A ONLY).
ALARM
L1
(HOT)
L2
Q7800
4
FLAME DETECTOR
1
2
2
1
LIMITS
STOP
S445A
START-STOP
STATION
START
B
A
D
C
INTERNAL
JUMPER
DPST ALARM
SILENCING
SWITCH
FUEL
PRESSURE
SWITCH
MANUAL
VALVE
12
6
7
8
R
W
B
R
W
B
T
T
CONTROLLER
HI-LO OR
MODULATING
MOTOR
R482B
FUEL
PRESSURE
SWITCH
MANUAL
VALVE
12
6
7
8
R
W
B
R
W
B
T
T
CONTROLLER
HI-LO OR
MODULATING
MOTOR
R482B
PILOT
MOTOR
GANGED 3 POLE
DOUBLE THROW
SWITCH
GAS
OIL
3
4
4
3

Other manuals for Honeywell 7800 SERIES

Related product manuals