EasyManua.ls Logo

Honeywell 7800 SERIES

Honeywell 7800 SERIES
16 pages
To Next Page IconTo Next Page
To Next Page IconTo Next Page
To Previous Page IconTo Previous Page
To Previous Page IconTo Previous Page
Loading...
RM7885A 7800 SERIES RELAY MODULES
9 32-00215—01
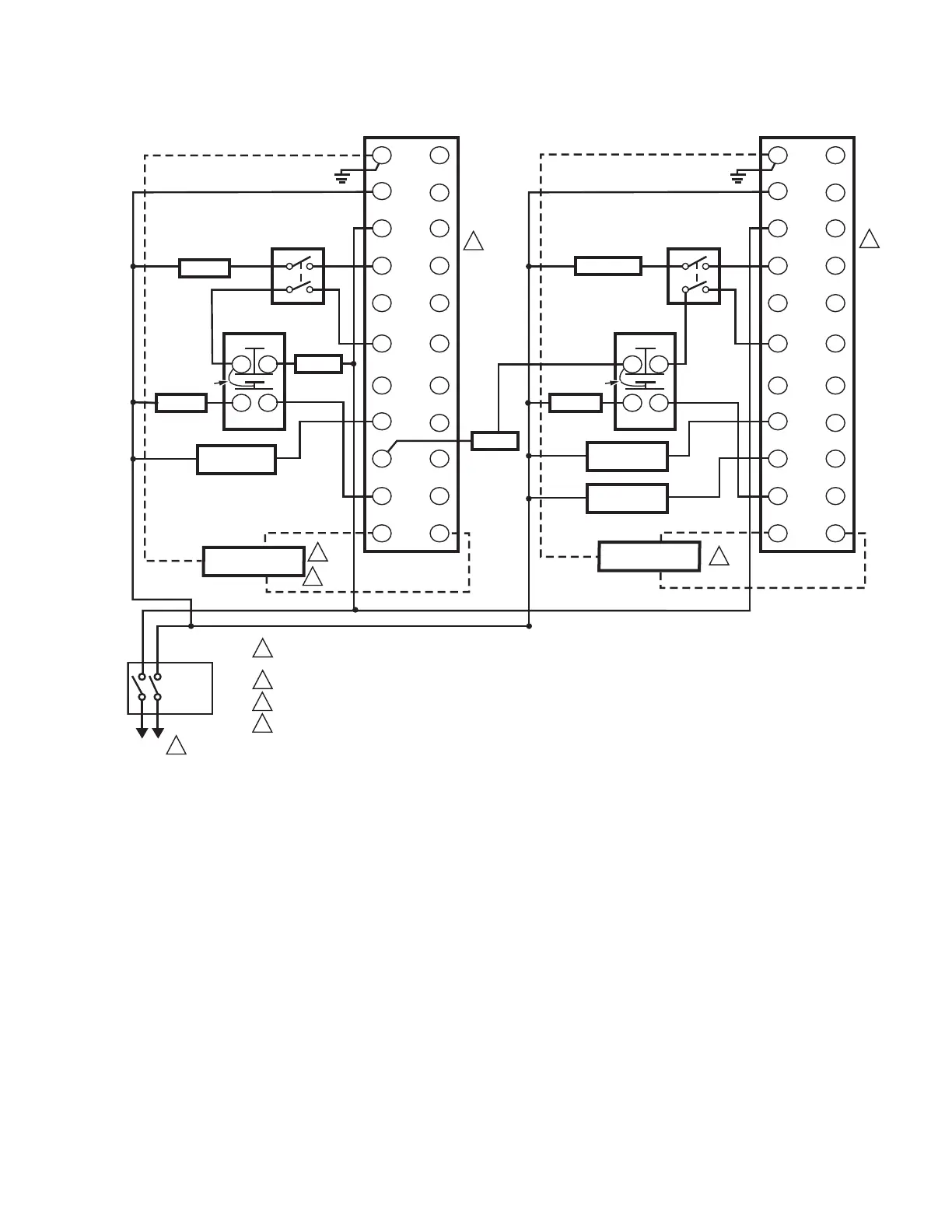
Fig. 5. Cascading two or more burners or supervising two or more pilots when required for safe ignition of one burner.
M15105A
G
L2
3
5
6
7
8
9
10
F
(L1)
13
14
15
16
17
18
19
20
21
22
12
MASTER
SWITCH
IGNITION
INTERMITTENT
PILOT
FLAME DETECTOR
120 VAC, 50/60 HZ (RM7885A); 220-240 VAC, 50/60 HZ (EC7885A) POWER SUPPLY.
PROVIDE DISCONNECT MEANS AND OVERLOAD PROTECTION AS REQUIRED.
DO NOT CONNECT ANY WIRES TO UNUSED TERMINALS.
SEE FLAME DETECTOR SPECIFICATION FOR CORRECT WIRING.
220-240 VAC TO 120 VAC, 10 VA MINIMUM, STEPDOWN TRANSFORMER
(NOT PROVIDED) REQUIRED TO DRIVE SHUTTER (EC7885A ONLY).
ALARM
ALARM
L1
(HOT)
L2
Q7800
4
1
2
2
1
LIMITS
STOP
S445A
START-STOP
STATION
START
B
A
D
C
INTERNAL
JUMPER
DPST ALARM
SILENCING
SWITCH
G
L2
3
5
6
7
8
9
10
F
(L1)
13
14
15
16
17
18
19
20
21
22
12
IGNITION
FLAME DETECTOR
Q7800
4
2
LIMITS
STOP
S445A
START-STOP
STATION
START
B
A
D
C
INTERNAL
JUMPER
DPST ALARM
SILENCING
SWITCH
INTERMITTENT
PILOT
MAIN FUEL
VALVE(S)
3
4
3
3
4

Other manuals for Honeywell 7800 SERIES

Related product manuals