EasyManua.ls Logo

Honeywell FMST FXV(E) Series

Honeywell FMST FXV(E) Series
7 pages
To Next Page IconTo Next Page
To Next Page IconTo Next Page
To Previous Page IconTo Previous Page
To Previous Page IconTo Previous Page
Loading...
FMST-FXV(E) Installation Manual
- 1 -
Installation Instructions for FMST-FXV(E) Series Detectors
(FMST-FXV-11E,FMST-FXV-
11E/CN,FMST-FXV-22E,FMST-FXV-22E/CN,FMST-FXV-33E,FMST-FXV-33E/CN,FMST-FXV-44E,FMST-FXV-44E/CN)
The Installation Sheet provides practical information for mounting, piping and cabling FMST-FXV series of Air Sampling
Smoke Detector only. Full information is published in the Product Guide (Document number is 29330) which include
installation instructions, product use, warnings for safe use and warranty details.
FXV
使
FMST-FXV(E)
(
29330)
使
Note:FMST-FXV(E) dual pipe product series includes FMST-FXV-11E,FMST-FXV-11E/CN,FMST-FXV-22E,FMST-FXV-
22E/CN;FMST-FXV(E) 4 pipe product series includes FMST-FXV-33E, FMST-FXV-33E/CN, FMST-FXV-44E, FMST-FXV-
44E/CN.
FMST-FXV(E)
FMST-FXV-11E,FMST-FXV-11E/CN,FMST-FXV-22E,FMST-FXV-22E/CN;FMST-
FXV-FXV(E)
FMST-FXV-33E,FMST-FXV-33E/CN,FMST-FXV-44E,FMST-FXV-44E/CN.
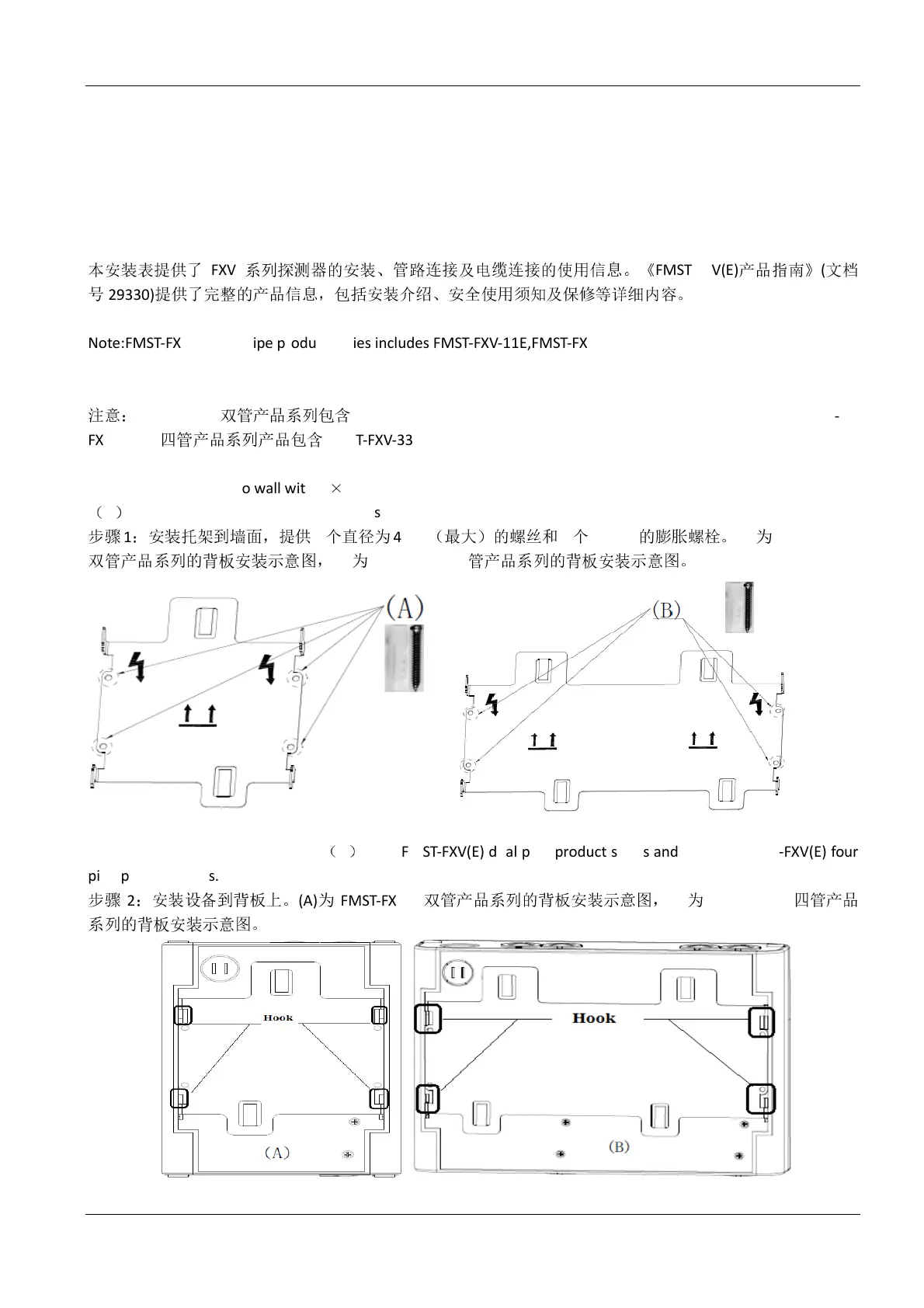
Step 1: Attach bracket to wall with 4
×
4mm diameter (max) screws and 4 expansion bolts (∅8mm)
A
is for FMST-FXV(E) dual pipe product series and (B) is for FMST-FXV(E) 4 pipe product series.
1
4
4mm
4
∅8mm
(A)
FMST-FXV(E)
(B)
FMST-FXV(E)4
Fig.1
Step 2: Attach detector to bracket.
A
is for FMST-FXV(E) dual pipe product series and (B) is for FMST-FXV(E) four
pipe product series.
2
(A)
FMST-FXV(E)
(B)
FMST-FXV(E)
Fig.2

Related product manuals