3 NM, 5 NM SERIES SPRING RETURN DIRECT COUPLED ACTUATORS
62-0274—07 8
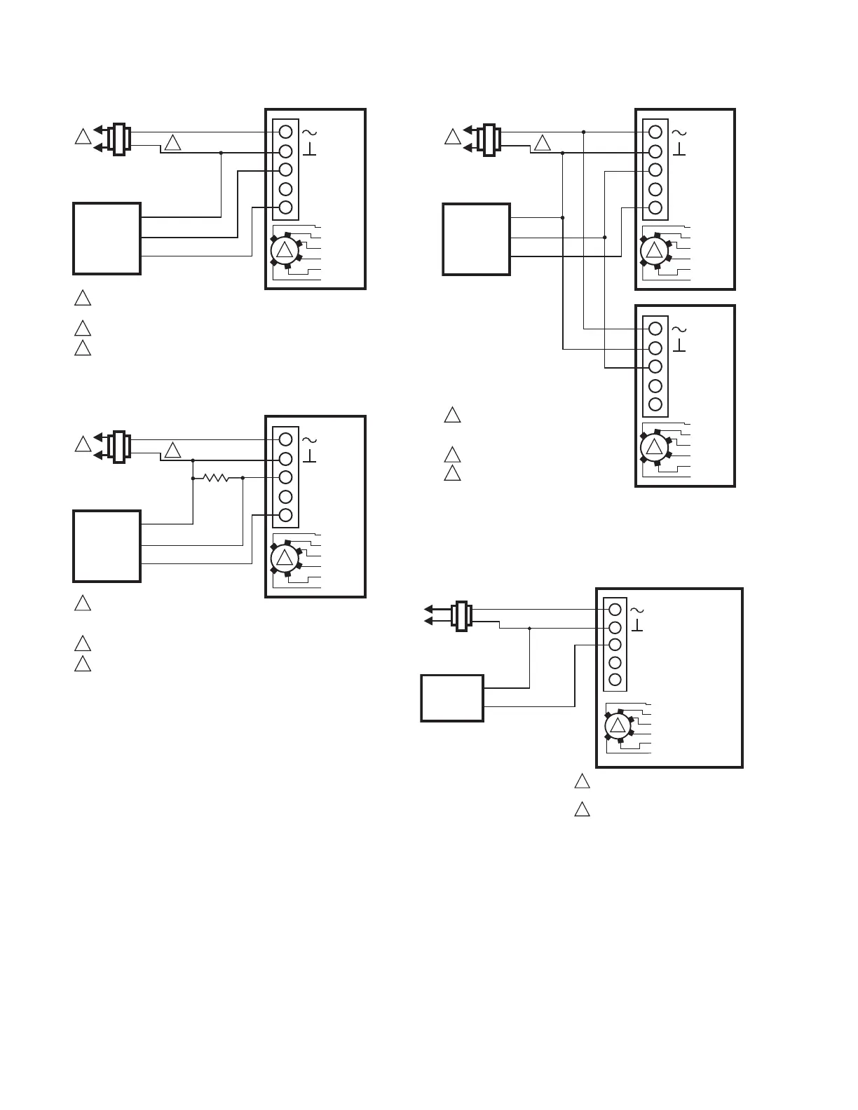
Fig. 16. Wiring for modulating (0/2-10 Vdc) proportioning
control, MS75 (shown) and MS74 series.
Fig. 17. Wiring for 4-20 mA proportioning controllers,
MS75 (shown) and MS74 series.
Fig. 18. Wiring for modulating (0/2-10 Vdc) proportioning
control operating multiple actuators, MS75 (shown) and
MS74 series.
Fig. 19. Wiring for 3kOhm Economizer controllers, MS74
series.
ACTUATOR
0/2 TO 10 VDC
PROPORTIONING
CONTROLLER
24 VAC
1
1
2
3
2
LINE VOLTAGE POWER SUPPLY. PROVIDE DISCONNECT MEANS
AND OVERLOAD PROTECTION AS REQUIRED.
24 VDC SUPPLY ACCEPTABLE.
SET SWITCH TO MODULATING.
V
FEEDBACK
–
+
FEEDBACK
5
4
3
1
2
M28626
2-10 VDC
10-2 VDC
0-10 VDC
10-0 VDC
Fltg, fwd
Fltg, rev
3
0°-90°
90°-0°
ACTUATOR
4 TO 20 mA
PROPORTIONING
CONTROLLER
24 VAC
1
1
2
3
2
490 TO 510
OHMS,
1/2 W
MINIMUM
LINE VOLTAGE POWER SUPPLY.
PROVIDE DISCONNECT MEANS AND
OVERLOAD PROTECTION AS REQUIRED.
24 VDC SUPPLY ACCEPTABLE.
SET SWITCH TO MODULATING.
V
FEEDBACK
–
+
FEEDBACK
5
4
3
1
2
M28627
2-10 VDC
10-2 VDC
0-10 VDC
10-0 VDC
Fltg, fwd
Fltg, rev
3
0°-90°
90°-0°
ACTUATOR
0/2 TO 10 VDC
PROPORTIONING
CONTROLLER
24 VAC
1
1
2
3
2
LINE VOLTAGE POWER SUPPLY.
PROVIDE DISCONNECT MEANS AND
OVERLOAD PROTECTION AS REQUIRED.
24 VDC SUPPLY ACCEPTABLE.
SET SWITCH TO MODULATING.
V
FEEDBACK
–
+
FEEDBACK
5
4
3
1
2
M28628
2-10 VDC
10-2 VDC
0-10 VDC
10-0 VDC
Fltg, fwd
Fltg, rev
3
ACTUATOR
V
FEEDBACK
5
4
3
1
2
2-10 VDC
10-2 VDC
0-10 VDC
10-0 VDC
Fltg, fwd
Fltg, rev
3
0°-90°
90°-0°
0°-90°
90°-0°
ACTUATOR
V
FEEDBACK
5
4
3
1
2
M32678
3KOhm NTC THERMISTOR
MINIMUM POSITION
1
EXTERNAL MINIMUM POSITION POT CAN
BE APPLIED TO 4 90°-0°.
SET SWITCH TO 3KOhm NTC THERMISTOR.
2
2-10 VDC
10-2 VDC
3KOhm NTC THERMISTOR
3 POSITION
Fltg, fwd
Fltg, rev
2
SENSOR
24 VAC
–
+
3KΩ