EasyManua.ls Logo

Honeywell RM7838B2021 - Page 6

Honeywell RM7838B2021
28 pages
Print Icon
To Next Page IconTo Next Page
To Next Page IconTo Next Page
To Previous Page IconTo Previous Page
To Previous Page IconTo Previous Page
Loading...
RM7838B, RM7838C 7800 SERIES RELAY MODULES
32-00211—01 6
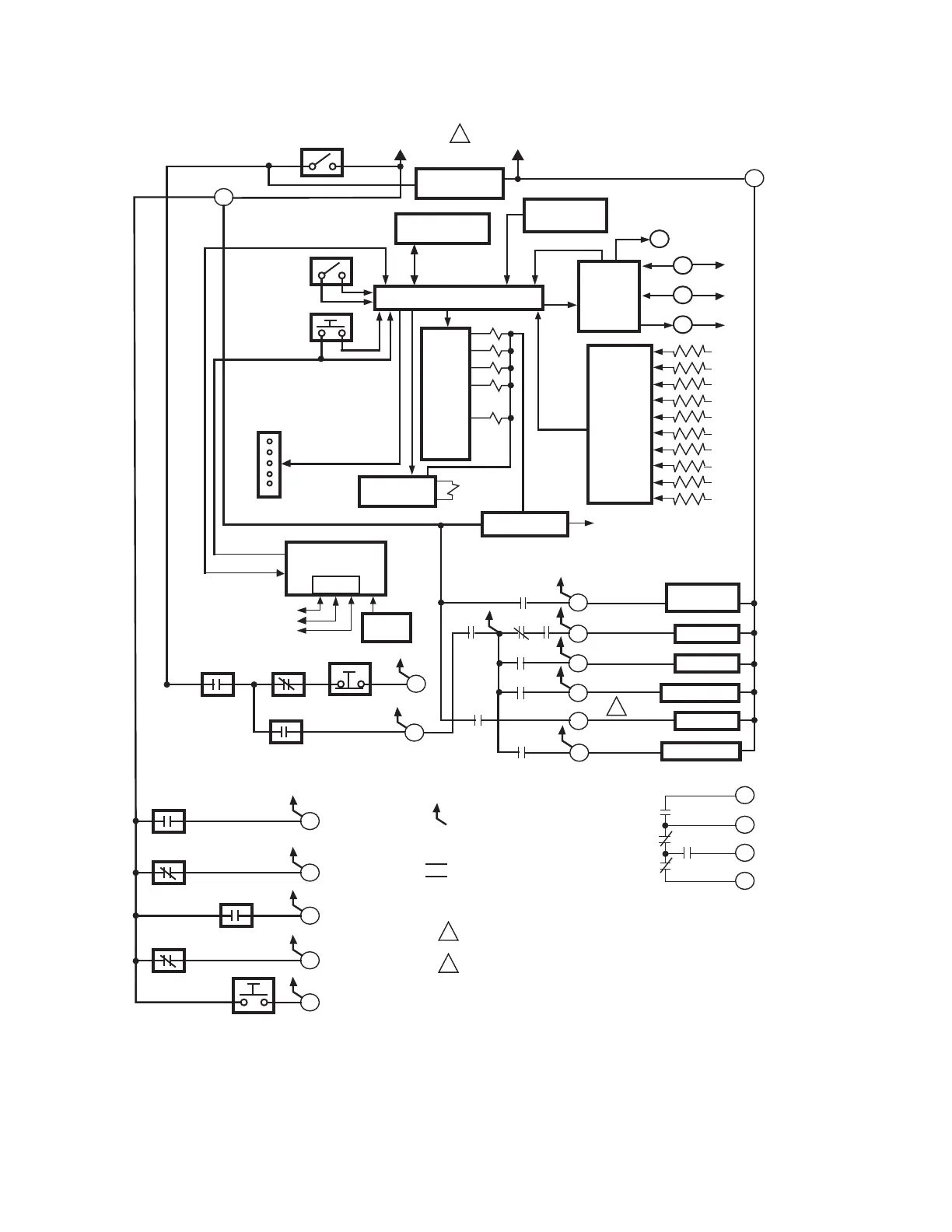
Fig. 3. Internal block diagram of RM7838B,C.
CONFIGURATION
JUMPERS
MICROCOMPUTER
RESET
PUSHBUTTON
RUN/TEST
SWITCH
STATUS LED
PLUG-IN PURGE
TIMER CARD
SAFETY RELAY
CIRCUIT
POWER SUPPLY
KEYBOARD
DISPLAY MODULE
HIGH PURGE
COMMON
MODULATE
LOW FIRE
PLUG-IN
FLAME
AMPLIFIER
RELAY
DRIVE
CIRCUIT
CONTROL
POWER
TEST
JACK
REMOTE
RESET
DDL
DDL
COMMUNICATIONS
INDICATES FEEDBACK SENSING
OF RELAY CONTACT STATUS
AND LINE VOLT INPUTS
FIELD WIRING
INTERNAL WIRING
IGNITION
PILOT
MAIN VALVE 1
1K
RELAY
STATUS
FEEDBACK
AND LINE
VOLTAGE
INPUTS
LIMITS
PREIGNITION
INTERLOCK
1K1 2K1 5K1
8K1
8K2
9K1
9K2
120 Vac
50/60 HZ
FLAME SIGNAL
TEST
PROVIDE DISCONNECT MEANS AND
OVERLOAD PROTECTION AS REQUIRED.
AN ALARM SILENCING SWITCH MAY BE
NEEDED FOR RM7838B.
RS485
1
2
3
L1
(HOT) L2
4
6
7
4K1
2K2
10
8
9
7K
5K
4K
3K
2K
F
G
22
1
6K1
5
ALARM
3K1
3
L2
12
13
15
14
M22661B
2
1
RECIRCULATING
BLOWER
STOP SWITCH
RECIRCULATING
AFS
COMBUSTION
AIR BLOWER
16
18
19
20
21
LOCKOUT INTERLOCKS
AND COMBUSTION AIR
BLOWER SWITCHES
VALVE PROVING
SWITCH
LOW START
SWITCH
HIGH PURGE
RATE SWITCH
START SWITCH
BURNER CONTROL
MAIN VALVE 2
7K
17
2

Related product manuals