EasyManua.ls Logo

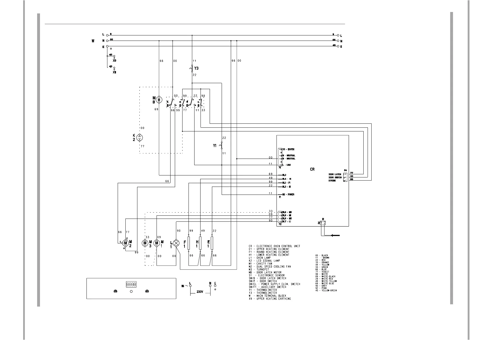
Hotpoint SI5854PIX - Wiring Diagrams; Main Wiring Diagram

Hotpoint SI5854PIX
43 pages
Print Icon
To Next Page IconTo Next Page
To Next Page IconTo Next Page
To Previous Page IconTo Previous Page
To Previous Page IconTo Previous Page
Loading...
Whirlpool UK Appliances Ltd
34 of 43
Service Manual UK English
WIRING DIAGRAM
5413493wd.pdf
SI4854PIX
W10677631

Related product manuals