EasyManua.ls Logo

HP 120A - Page 57

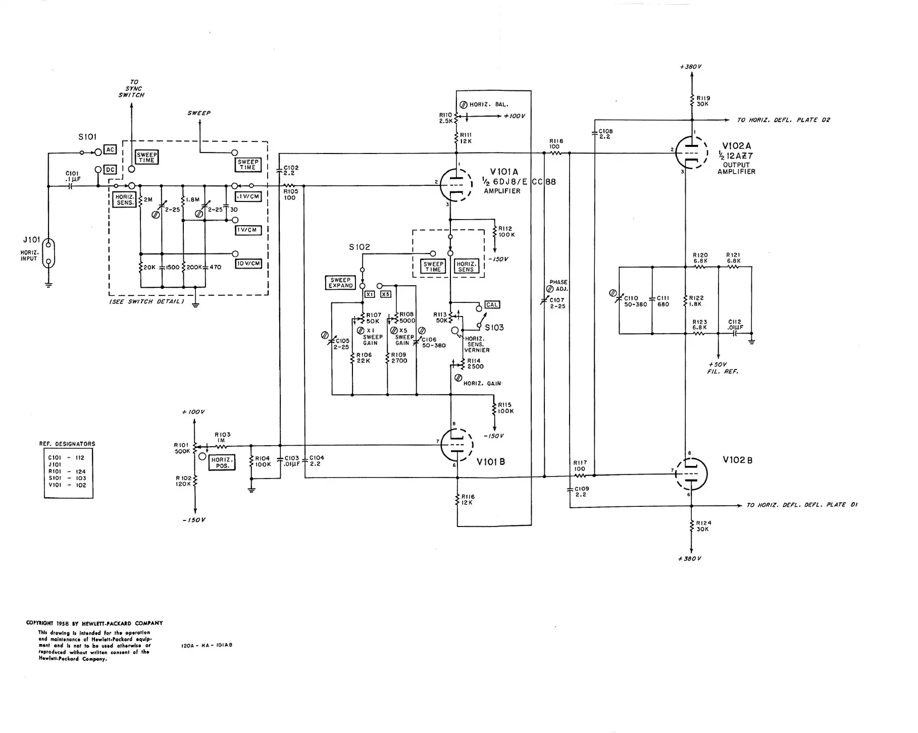
HP 120A
95 pages
Print Icon
To Next Page IconTo Next Page
To Next Page IconTo Next Page
To Previous Page IconTo Previous Page
To Previous Page IconTo Previous Page
Loading...
+
380V
I20A
-
HA
-
JOI
A
B
COPYMIGHT
1958
BY
HEWLCTT-PACKAtD
COMPANY
Thh
drawing
li
Intended
for
the
operation
and
maintenance
of
Hewlett-Packard
equip
*
men!
and
li
not
to
be
uied
otherwlie
or
reproduced
without
written
content
of
the
Hewlett-Packard
Company.
+
380
V

Related product manuals