EasyManua.ls Logo

HP 120A - Page 78

HP 120A
95 pages
Print Icon
To Next Page IconTo Next Page
To Next Page IconTo Next Page
To Previous Page IconTo Previous Page
To Previous Page IconTo Previous Page
Loading...
Sect.
V
Page
9
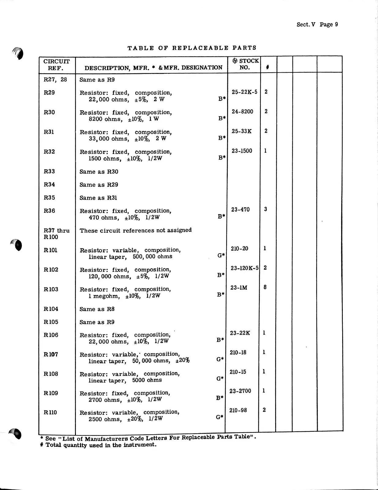
TABLE
OF
REPLACEABLE
PARTS
*
See
List
of
Manufacturers
Code
Letters
For
Replaceable
Parts
Table
.
#
Total
quantity
used
in
the
instrument.
CIRCUIT
REF.
DESCRIPTION,
MFR.
&
MFR.
DESIGNATION
tySTOCK
NO.
#
R27,
28
Same
as
R9
R29
Resistor:
fixed,
composition,
22,000
ohms,
±5%,
2W
B
*
25-22K-5
2
R30
Resistor:
fixed,
composition,
8200
ohms,
±10%,
1
W
B
*
24-8200
2
R31
Resistor:
fixed,
composition,
33,000
ohms,
±10%,
2W
B
*
25-33K
2
R32
Resistor:
fixed,
composition,
1500
ohms,
±10%,
1/2W
B
*
23-1500
1
R33
Same
as
R30
R34
Same
as
R29
R35
Same
as
R31
R36
Resistor:
fixed,
composition,
470
ohms,
±10%,
1/2W
B
*
23-470
3
R37
thru
R100
These
circuit
references
not
assigned
R101
Resistor:
variable,
composition,
linear
taper,
500,
000
ohms
G
*
210-20
1
R102
Resistor:
fixed,
composition,
120,000
ohms,
±5%,
1/2W
B
*
23-120K-5
2
R103
Resistor:
fixed,
composition,
1
megohm,
±10%,
1/2W
B
*
23-1M
8
R104
Same
as
R8
R105
Same
as
R9
R106
Resistor:
fixed,
composition,
22,000
ohms,
±10%,
1/2W
B
*
23-22K
1
R107
Resistor:
variable,
composition,
linear
taper,
50,
000
ohms,
±20%
G
*
210-18
1
R108
Resistor:
variable,
composition,
linear
taper,
5000
ohms
G
*
210-15
1
R109
Resistor:
fixed,
composition,
2700
ohms,
±10%,
1/2W
B
*
23-2700
1
R110
Resistor:
variable,
composition,
2500
ohms,
±20%,
1/2W
G
*
210-98
2

Related product manuals