EasyManua.ls Logo

HP 120A - Page 88

HP 120A
95 pages
Print Icon
To Next Page IconTo Next Page
To Next Page IconTo Next Page
To Previous Page IconTo Previous Page
To Previous Page IconTo Previous Page
Loading...
Sect.V
Page
19
*
See
"List
of
Manufacturers
Code
Letters
For
Replaceable
Parts
Table
.
#
Total
quantity
used
in
the
instrument.
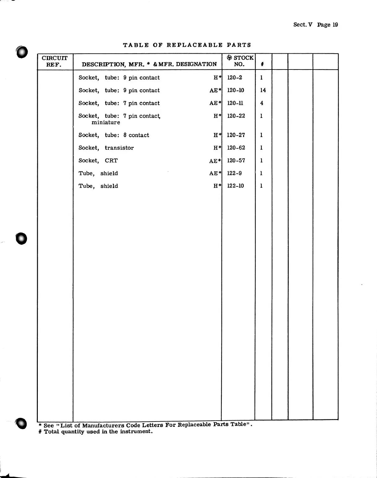
TABLE
OF
REPLACEABLE
PARTS
CIRCUIT
REF.
DESCRIPTION,
MFR.
&MFR.
DESIGNATION
STOCK
NO.
#
Socket,
tube:
9
pin
contact
H
*
120-2
1
Socket,
tube:
9
pin
contact
AE*
120-10
14
Socket,
tube:
7
pin
contact
AE*
120-11
4
Socket,
tube:
7
pin
contact,
miniature
H
*
120-22
1
Socket,
tube:
8
contact
H
*
120-27
1
Socket,
transistor
H
*
120-62
1
Socket,
CRT
AE
*
120-57
1
Tube,
shield
AE
*
122-9
1
Tube,
shield
H
*
122-10
1
0

Related product manuals