EasyManua.ls Logo

HP 203A - Page 55

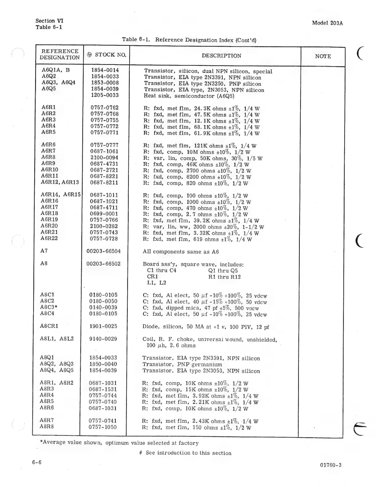
HP 203A
68 pages
Print Icon
To Next Page IconTo Next Page
To Next Page IconTo Next Page
To Previous Page IconTo Previous Page
To Previous Page IconTo Previous Page
Loading...
Section
VI
Model
203A
Table
6-1
Table
6-1.
Reference
Designation
Index
(Cont'd)
REFERENCE
|
DESIGNATION
|
Ф
STOCK
NO.
DESCRIPTION
A6Q1A,
В
1854-0014
Transistor,
silicon,
dual
NPN
silicon,
special
A6Q2
1854-0033
Transistor,
EIA
type
2N3391,
NPN
silicon
A6Q3,
A6Q4
1853-0008
Transistor,
EIA
type
2N3250,
PNP
silicon
А605
1854-0039
Transistor,
EIA
type,
283053,
NPN
silicon
1205-0033
Heat
sink,
semiconductor
(A6Q5)
A6R1
0757-0762
fxd,
met
flm,
24,
ЗК
ohms
+1%,
1/4
W
A6R2
0757-0768
fxd,
met
flm,
47.5K
ohms
+1%,
1/4
W
A6R3
0757-0755
fxd,
met
flm,
12.1K
ohms
+1%,
1/4
W
A6R4
0757-0772
fxd,
met
fim,
68.1К
ohms
+1%,
1/4
W
A6R5
0757-0771
fxd,
met
fim,
61.9К
ohms
+1%,
1/4
W
A6R6
0757-0777
fxd,
met
fim,
121K
ohms
+1%,
1/4
W
A6R7
0687-1061
fxd,
comp,
10M
ohms
+10%,
1/2
W
A6R8
2100-0094
var,
lin,
comp,
50K
ohms,
30%,
1/5
W
A6R9
0687-4731
fxd,
comp,
46K
ohms
+10%,
1/2
W
A6R10
0687-2721
fxd,
comp,
2700
ohms
+10%,
1/2
W
A6R11
0687-8221
fxd,
comp,
8200
ohms
+10%,
1/2
W
A6R12,
A6R13
0687-8211
fxd,
comp,
820
ohms
+10%,
1/2
W
A6R14,
А6В15|
0687-1011
fxd,
comp,
100
ohms
+10%,
1/2
W
ФОТО
Рідні
дО
ЮирЕАД
mmm
A6R16
0687-1021
fxd,
comp,
1000
ohms
2109,
1/2
W
A6R17
0687-4711
fxd,
comp,
470
ohms
+10%,
1/2
W
A6R18
0699-0001
fxd,
comp,
2.
7
ohms
4107,
1/2
W
A6R19
0757-0766
fxd,
met
flm,
39.2K
ohms
+1%,
1/4
W
A6R20
2100-0282
var,
lin,
ww,
2000
ohms
+20%,
1-1/2
W
A6R21
0757-0743
fxd,
met
flm,
3.32K
ohms
+1%,
1/4
W
A6R22
0757-0728
fxd,
met
fim,
619
ohms
417,
1/4
W
А7
00203-66504
АП
components
same
аз
Аб
00203-66502
А8
Воага
ass'y,
square
wave,
includes:
С1
thru
С4
Q1
thru
Q5
R1
thru
R12
fxd,
Al
elect,
50
uf
-10%
«10055,
25
уйсу
fxd,
Al
elect,
40
uf
-15%
+100%,
50
уйсу
fxd,
dipped
mica,
47
pf
+5%,
500
vaew
fxd,
Al
elect,
50
pf
-10%
+100%,
25
уйсу
0180-0105
0180-0050
0140-0039
0180-0105
Diode,
silicon,
50
МА
at
«1
у,
100
PIV,
12
pf
1901-0025
9140-0029
Coil,
R.
F.
choke,
universai
wound,
unshielded,
100
uh,
2.
6
ohms
1854-0033
1850-0040
1854-0039
Transistor,
EIA
type
2N3391,
NPN
silicon
Transistor,
РМР
germanium
Transistor,
EIA
type
2N3053,
NPN
silicon
0687-1031
fxd,
comp,
10K
ohms
+10%,
1/2
W
0687-1531
fxd,
comp,
15K
ohms
+10%,
1/2
W
0757-0744
fxd,
met
flm,
3.92K
ohms
+1%,
1/4
ХУ
0757-0740
fxd,
met
flm,
2.21К
ohms
+1%,
1/4
W
0687-1031
fxd,
comp,
10K
ohms
2107,
1/2
W
fxd,
met
fim,
2.
43K
ohms
+1%,
1/4
W
fxd,
met
fim,
150
ohms
+10,
1/2W
|
0757-0741
0757-1050
SC
тала
*Average
value
shown,
optimum
value
selected
at
factory
#
See
introduction
to
this
section
6-6
|
01760-3

Related product manuals