EasyManua.ls Logo

HP 203A - Page 61

HP 203A
68 pages
Print Icon
To Next Page IconTo Next Page
To Next Page IconTo Next Page
To Previous Page IconTo Previous Page
To Previous Page IconTo Previous Page
Loading...
Section
VI
Model
203A
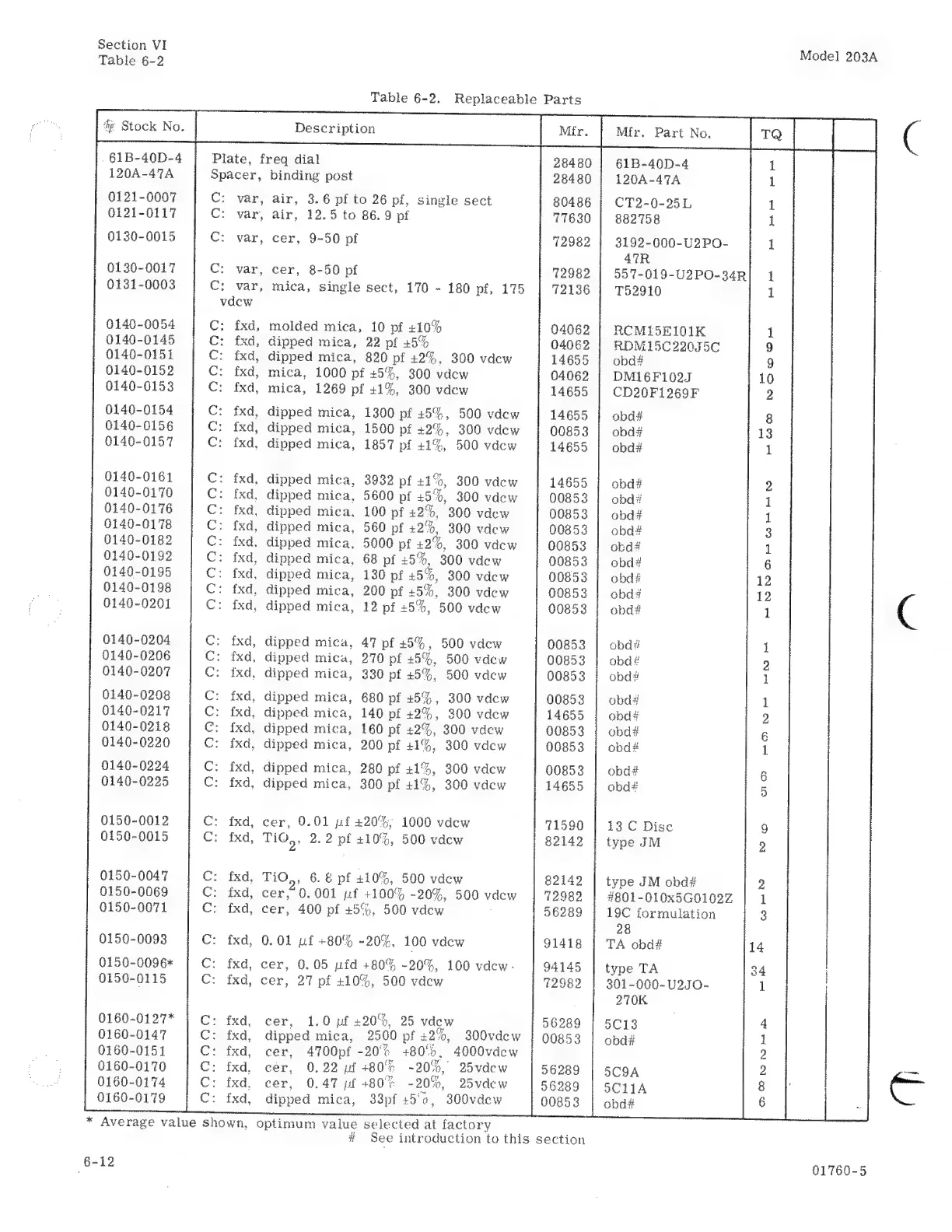
Table
6-2
Table
6-2.
Replaceable
Parts
.
61B-40D-4
Plate,
freq
dial
28480
|
61B-40D-4
120A-47A
Spacer,
binding
post
28480
|
120A-47A
0121-0007
C:
var,
air,
3.6
pf
to
26
pf,
single
sect
80486
|
CT2-0-25L
0121-0117
C:
var,
air,
12.5
to
86.
9
pf
71630
|
882758
0130-0015
C:
var,
cer,
9-50
pf
12982
|
3192-000-U2PO-
47R
0130-0017
C:
var,
cer,
8-50
pf
12982
|
557-019-U2PO-34R
0131-0003
C:
var,
mica,
single
sect,
170
-
180
pf,
175
72136
T52910
vdcw
0140-0054
C:
fxd,
molded
mica,
10
pf
+10%
04062
|
RCM15EI01K
1
0140-0145
C:
fxd,
dipped
mica,
22
pf
+5%
04062
|
RDMI5C220J5C
9
0140-0151
C:
fxd,
dipped
mica,
820
pf
+2%,
300
vdcw
14655
|
ора?
9
0140-0152
C:
ixd,
mica,
1000
pf
+5%,
300
vdew
04062
|
DM16F102J
10
0140-0153
C:
fxd,
mica,
1269
pf
4195,
300
vdcw
14655
CD20F1269F
2
0140-0154
С:
fxd,
dipped
mica,
1300
pf
45%,
500
vdew
14655
|
obd#
8
0140-0156
C:
ixd,
dipped
mica,
1500
pf
+2%,
300
vdew
00853
|
obd#
13
0140-0157
С:
fxd,
dipped
mica,
1857
pf
£175,
500
vdew
14655
|
орай
1
0140-0161
С:
fxd,
dipped
mica,
3932
pf
+1
%,
300
vdew
14655
|
ораз
2
0140-0170
С:
fxd,
dipped
mica,
5600
pf
+5%,
300
vdew
00853
|
ора
1
0140-0176
С:
fxd,
dipped
mica,
100
pf
42%,
300
vdew
00853
|
obd#
1
0140-0178
С:
fxd,
dipped
mica,
560
pf
+2%,
300
vdew
00853
|
obd#
3
0140-0182
С:
154,
dipped
mica,
5000
pf
+2%,
300
vdew
00853
|
obd#
1
0140-0192
С:
fxd,
dipped
mica,
68
pf
+
35%,
300
vdew
00853
|
obd4
6
0140-0195
С:
fxd,
dipped
mica,
130
pf
+5%,
300
vdew
00853
|
obd#
12
0140-0198
С:
fxd,
dipped
mica,
200
pf
25%,
300
vdew
00853
|
obd#
12
0140-0201
С:
fxd,
dipped
mica,
12
pf
«575,
500
уйсу
00853
|
оһа?
1
C
0140-0204
C:
fxd,
dipped
mica,
47
pf
45%,
500
уйсу
00853
|
obd#
1
0140-0206
C:
fxd,
dipped
mica,
270
pf
+5%,
500
уйсу
00853
|
obd#
2
0140-0207
C:
fxd,
dipped
mica,
330
pf
5%,
500
vdew
00853
|
obd#
1
0140-0208
С:
fxd,
dipped
mica,
680
рі
+5%,
300
vdew
00853
|
obd#
1
0140-0217
С:
fxd,
dipped
mica,
140
pf
22%,
200
vdew
14655
|
ораз
2
0140-0218
С:
fxd,
dipped
mica,
160
pf
+2%,
300
vdew
00853
|
obd#
6
0140-0220
C:
fxd,
dipped
mica,
200
pf
+14,
300
vdew
00853
|
obd#
1
0140-0224
С:
fxd,
dipped
mica,
280
pf
41%,
300
уйсу
00853
|
ора”
6
0140-0225
С:
fxd,
dipped
mica,
300
pf
+1%,
300
масу
14655
|
obd#
5
0150-0012
|
С:
fxd,
cer,
0.01
uf
+207;
1000
vdew
71590
|
13
С
Disc
0150-0015
С:
fxd,
то,
2.
2
pf
>10%,
500
уйсу
82142
|
type
JM
0150-0047
С:
fxd,
ТЮ.,
6.8
pf
+10%,
500
уйсу
82142
|
type
JM
obd#
0150-0069
С:
fxd,
сег,
0.
001
uf
+100%
-20%,
500
vdew
12982
|
8801-010х5001027
0150-0071
C:
fxd,
cer,
400
pf
+59,
500
уйсу
56289
19C
formulation
28
0150-0093
C:
fxd,
0.01
uf
+80%
-20%,
100
vdew
91418
|
TA
obd#
0150-0096*
C:
fxd,
cer,
0.05
рға
+80%
-20%,
100
уйсу.
94145
|
type
TA
i
0150-0115
C:
fxd,
cer,
27
pf
4107,
500
vdew
72982
|
301-000-U2JO-
i
|
270K
0160-0127*
|
С:
fxd,
cer,
1.0
pf
«205,
25
vdew
56289
|
5C13
0160-0147
C:
fxd,
dipped
mica,
2500
pf
x
+2%,
300vdew
|
00853
|
ораз
0160-0151
С:
fxd,
cer,
4700pf
-207
+80:
2,
4000vdew
0160-0170
|
С:
fxd,
сег,
0.22
pf
+800
-20%,
25vdew
|
56289
|
5C9A
=
0160-0174
С:
fxd,
cer,
0.47
М
+80%
-20%,
25vdcw
56289
|
5C11A
T
0160-0179
С:
fxd,
dipped
mica,
33pf
+5
0,
300vdew
00853
|
obd#
-
*
Average
value
shown,
optimum
value
selected
at
factory
#
See
introduction
to
this
section
6-12
01760-5

Related product manuals