EasyManua.ls Logo

HP 203A - Page 62

HP 203A
68 pages
Print Icon
To Next Page IconTo Next Page
To Next Page IconTo Next Page
To Previous Page IconTo Previous Page
To Previous Page IconTo Previous Page
Loading...
с
Моде!
203А
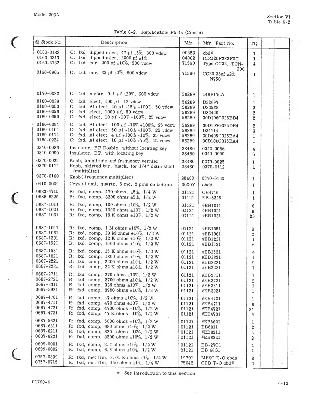
0160-0182
0160-0217
0160-3132
0160-0905
0170-0022
0180-0039
0180-0050
0180-0056
0180-0059
0180-0094
0180-0105
0180-0114
0180-0224
0340-0086
0340-0090
0370-0025
0370-0112
0370-0160
0410-0009
0683-4715
0686-6225
9687-1011
0687-1021
0687-1031
0687-1051
0687-1061
0687-1231
0687-1521
0687-1531
0687-1821
0687-2221
0687-2231
0687-2711
0687-2721
0687-3311
0687-3921
0687-4701
0687-4711
0687-4721
0687-4731
0687-5621
0687-6811
0687-8211
0687-8221
0699-0001
0699-0002
0757-0339
0757-0715
01760-4
C:
С:
С:
С:
ixd,
fxd,
fxd,
fxd,
fxd,
fxd,
fxd,
fxd,
fxd,
fxd,
fxd,
fxd,
Table
6-2.
Replaceable
Parts
(Cont'd)
TOET
dipped
mica,
47
pf
+5%,
300
уйсу
dipped
mica,
2300
pf
+1%
cer,
200
pf
+10%,
500
vdew
cer,
33
pf
+2%,
600
уйсу
mylar,
0.1
uf
20%,
600
vdew
elect,
100
uf,
12
уйсу
Al
elect,
40
uf
-15%
+100$.
50
vdew
elect,
1000
uf,
50
уйсу
elect,
10
uf
-10%
+100%,
25
vdew
Al
elect,
100
uf
-10%
+100%,
25
vdew
Alelect,
50
uf
-10%
+100%,
25
vdcw
АІ
elect,
4
uf
+100%
-10%,
25
уйсу
Al
elect,
10
uf
-10%
+75%,
15
уйсу
Insulator,
BP
Double,
without
locating
key
Insulator,
BP,
with
locating
key
Knob,
amplitude
and
frequency
vernier
Knob,
skirted
bar,
black,
for
1/4"
diam
shaft
(multiplier)
Knob
(
frequency
multiplier)
Crystal
unit,
quartz,
5
mc,
2
pins
on
bottom
R:
R:
R:
R:
R:
оо
як
Pm
оппа
EDU
mmm
uuu
fxd,
fxd,
fxd,
fxd,
comp,
comp,
comp,
comp,
fxd,
comp,
fxd,
fxd,
fxd,
fxd,
fxd,
fxd,
fxd,
fxd,
fxd,
fxd,
fxd,
fxd,
fxd,
fxd,
fxd,
fxd,
fxd,
fxd,
fxd,
fxd,
fxd,
fxd,
fxd,
fxd,
comp,
comp,
comp,
comp,
comp,
comp,
comp,
comp,
comp,
comp,
comp,
comp,
comp,
comp,
comp,
comp,
comp,
comp,
comp,
comp,
comp,
comp,
met
fim,
3.
01
К
ohms
417,
1/4
W
met
flm,
150
ohms
+1%
470
ohms,
+5%,
1/4
W
6200
ohms
45%,
1/2
W
100
ohms
«1095,
1/2
W
1000
ohms
410%,
1/2
W
10
К
ohms
2105,
1/2
W
1M
ohms
«1095,
1/2
W
10
M
ohms
4107,
1/2
W
12
К
ohms
4107,
1/2
W
1500
ohms
4107,
1/2
W
15
К
ohms
+10%,
1/2
W
1800
ohms
«1095,
1/2
W
2200
ohms
«1005,
1/2
W
22
К
ohms
41075,
1/2
W
270
ohms
«105,
1/2
W
2700
ohms
«1075,
1/2
W
330
ohms
2109,
1/2
W
3900
ohms
«1065,
1/2
W
47
ohms
«107,
1/2
W
470
ohms
4107,
1/2
W
4700
ohms
+10%,
1/2
W
47
К
ohms
4107,
1/2
W
5600
ohms
+10%,
1/2
W
680
ohms
«1005,
1/2
W
820
ohms
+10%,
1/2
W
8200
ohms
«1095,
1/2
W
2.7
ohms
+10%,
1/2
W
6,
8
ohms
+10%,
1/2
W
1/4
#
See
introduction
to
this
section
obd#
RDM20F232F3C
Type
CC32,
TCN-
200
CC20
3351
+2%
№50
148P175A
D32697
D32538
D32429
30D106G025BB4
30D107G025DH4
D34114
30
408:3025ВА4
30D106G015BA4
0340-0086
0340-0090
0370-0025
0370-0112
0370-0160
obd#
CB4715
EB-6225
#EBIOLI
#EB1021
#ЕВ1031
#ЕВ1051
#ЕВ1061
#ЕВ1231
#ЕВ1521
#ЕВ1531
ЖЕВ1821
ЖЕВ2221
#ЕВ2231
*EB2"11
#EB2721
#EB3311
#EB3921
#ЕВ4701
#ЕВ4711
#EB4721
#ЕВ4731
#ЕВ5621
EB6811
#ЕВ8211
#EB8221
EB-27G1
‘ЕВ
6801
MF
6C
T-O
obd#
CEB
Т-О
obd#
і
ВА
ped
СО,
ра
ра
С
РЭ
М
МЭ
СОО
кы
ка
©з
ЧО
CD
қаққа
Ra
ка
bo
со
М
бо
нм
ГЭНА
БЭ
ке
RS
СО
ка
кна
pt
NG
ка
des
сә ка
р
Фу
PO
СУ
Section
УІ
Table
6-2

Related product manuals