EasyManua.ls Logo

HP 3490A - Page 203

HP 3490A
298 pages
Print Icon
To Next Page IconTo Next Page
To Next Page IconTo Next Page
To Previous Page IconTo Previous Page
To Previous Page IconTo Previous Page
Loading...
+t7v
-t7v
ll
lVcll
I
Y-Y.
8
(LOMR)
O REF SELECT L
FROM
U40t il8)
I
I
I
L-
I
{LOIA)
X.OI ATTEN
L
FROM
U40t
{7)
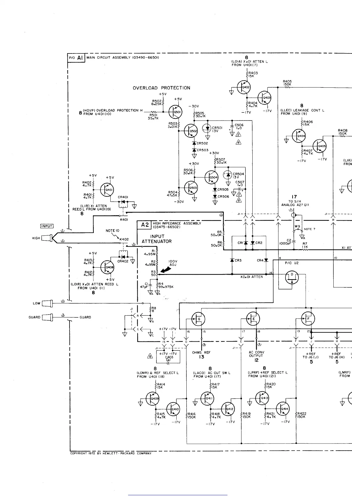
OVERLOAD
PROTECTION
+5V
^
(HOVP)
OVERLOAO
PROTECTION
H
ö
FRoM u4or ilo)
+5V
R402
4.7K
R40l
4.7K
(LIR)
XI ATTEN
REEO L
FROM
U4OI(I9)
8
K3
50.oK
50.oK
IOOV
AOJ
t
I
I
I
I
l'''t
t
RI
4.95M
4
99.975K
-.11 \3,
GUARD
I Il-CUARO
-T
I
I
I
VV
---T------1-----
+REF +REF I
TO J6
(J)
TO J6
IH)
I
Get other manuals https://www.bkmanuals.com

Table of Contents

Related product manuals