EasyManua.ls Logo

HP 3490A - Page 204

HP 3490A
298 pages
Print Icon
To Next Page IconTo Next Page
To Next Page IconTo Next Page
To Previous Page IconTo Previous Page
To Previous Page IconTo Previous Page
Loading...
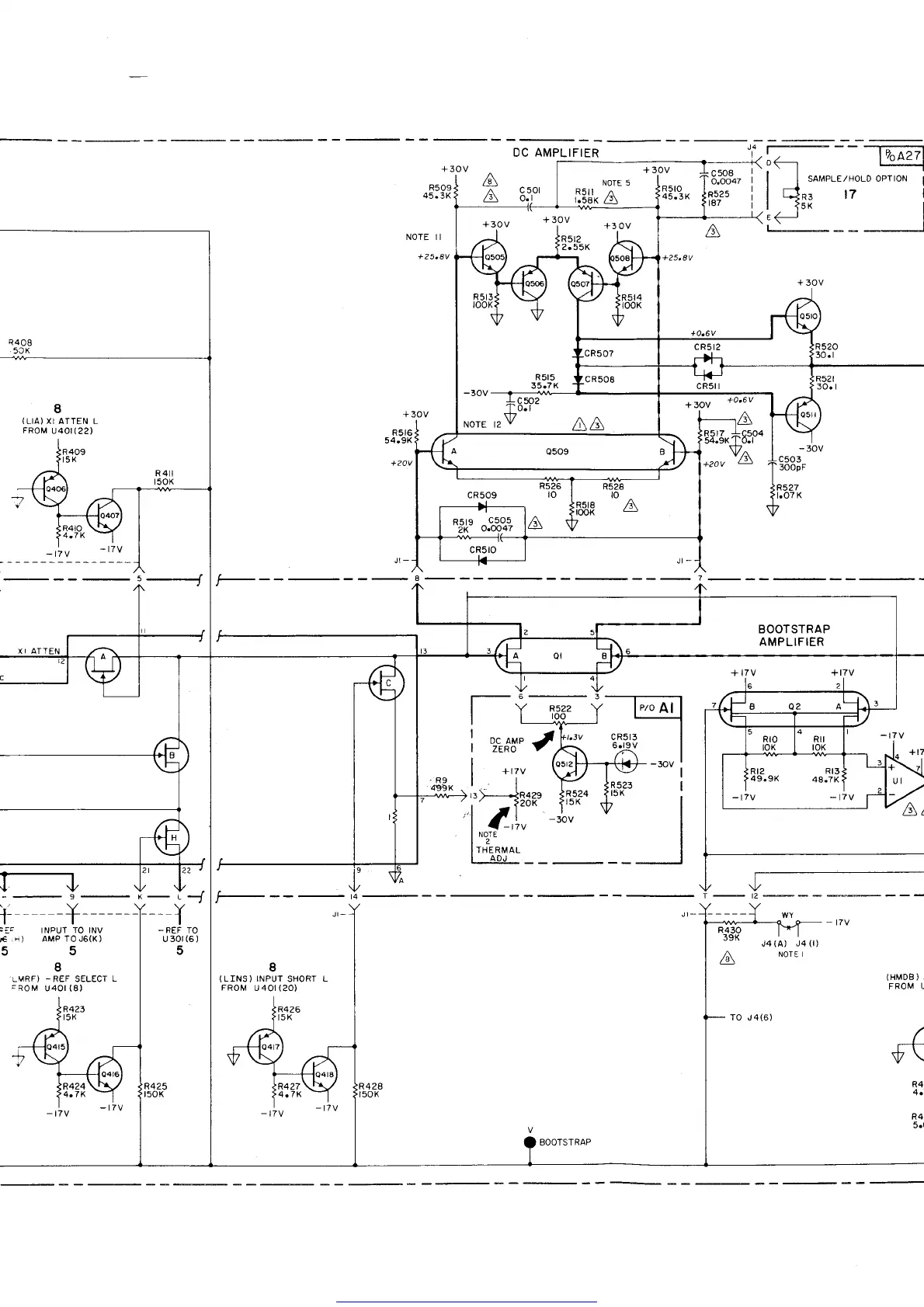
+30v
DC
AMPLIFIER
-T6aztl
I
I
(HMDB)
/
FROM
IJ
c
508
o.oo47
R525
t87
R3
l7
5K
A
A
SAI\4PLE,/FIOLD OPTION
I
R509
45.3K
c 501
o.l
A
R408
5CK
I
{LIA) XI ATTEN L
FROM
U40t
(
22)
409
R4tO
4.7 K
,A
-
30v
c503
30OpF
R4il
|
50K
2--J
K
-----1
wY
R430
l-l
1qk
J4
(A)
J4
(r)
/A
NOTE I
l!\
R429
20K
R524
t5K
I
I
I
I
I
;..
INPUT TO INV
I€
I) AMP TOJ6(K)
55
I
,LMRF)
-REF
SELECT
L
;ROM
U40t
(8)
R423
t5K
I
(LTNS)
INPUT
SHORT
L
FROM
U40l
(20)
R426
t5K TO J4(6)
/t
v\
22,
R4:
5.(
+
3OV
"i'
+3 OV
ruore rz
V
AA
BOOTSTRAP
AMPLIFIER
Rr2
Rt3
49.9K
48.7K
-l7v
-
t7v
cR5r3
BOOTSTRAP
Get other manuals https://www.bkmanuals.com

Table of Contents

Related product manuals