EasyManua.ls Logo

HP 3490A - Page 218

HP 3490A
298 pages
Print Icon
To Next Page IconTo Next Page
To Next Page IconTo Next Page
To Previous Page IconTo Previous Page
To Previous Page IconTo Previous Page
Loading...
MArN CTRCUTT ASSEMBLy
(O3490-6650t)
TURN
-
ON CLEAR
CIRCUIT
WJ
+5V
FROM
,"\
poweä-su.pplV
< ö-+5V
TO
LOGTC
C|RCUtTS
I N
STRUME NT
TURN
-ON
T URN.
ON
I
TOI
I
AIJT(N)
AIJ5
(F)
l.-i3Bl,"J-r
L__J-
QUALIFIER MULTI
PLEXER
HMOE
HMQC
I
HMQA
(LSCK)
STATE CLOCK
s
FROM
U4
(8)
--:
l-rua
--'t-:
I
xma
--!
FROM
-J
HMC
-
us RoMl
Hr4e
_-11
I
nne
--r
LHur
---q'
FROM
I,J6
ENO OF READING
(LEOR)
FROM
UI I MAIN TIME
8IT
B H
(HMTB)
r
IME COUNI
|
(LTCI
)
I
TtME
COUNT 2
(HTCz)
61
rlMEcouNr4(Hrc4)
I
TrME
COUNT
8
(HTC8)
I
rrue
couNr
r6(HTcr6)
I
L TIME
COUNT
32
(HTC32}
HIFA)
-
HtFE)
-
HIRA)-
H
tR8)
-
HrRC)
-
il,
[-
MAN
NORM
oPEN
L
(LMNO)
I
SAMPLE RAIE
C
H
{HSSC)
ll
<
saMPLE RATL
BH
(HSsBl
I
R5t
I
SAMPLERATEAH(HSSA)
6.8K
L l,rltt ronu
cLosED L
(LMNc)
HMG FROM
u9
il3)
ROM
-
(LSCK}
STATE CLOCK
_
5
FRoM
ua
(8)
8,rr,re
{
FROM
U2I
R50
6.8 K
FUNCTION A
H
(
FUNCTION
B H
(
l'naHcr
a x
t
1
RANGE
8H
(
LRANGE
C
H
(
l6
auroRANGE
H
(HAUr)
ZERO
DETECT H
(HZDT)
MAIN
TIME
8IT C H
(HMTC)
LMQD
HMOE
HMOO
HMOE
+5V
(HSCK)
STATE
CLOCK
FROM
U4(9)
6
|.4.
+5V
HMOB
HMOC
I
HMoA
l4
exr ENcoDE
L
(LEXE)
ll,l4
xor-oL(LHLo)
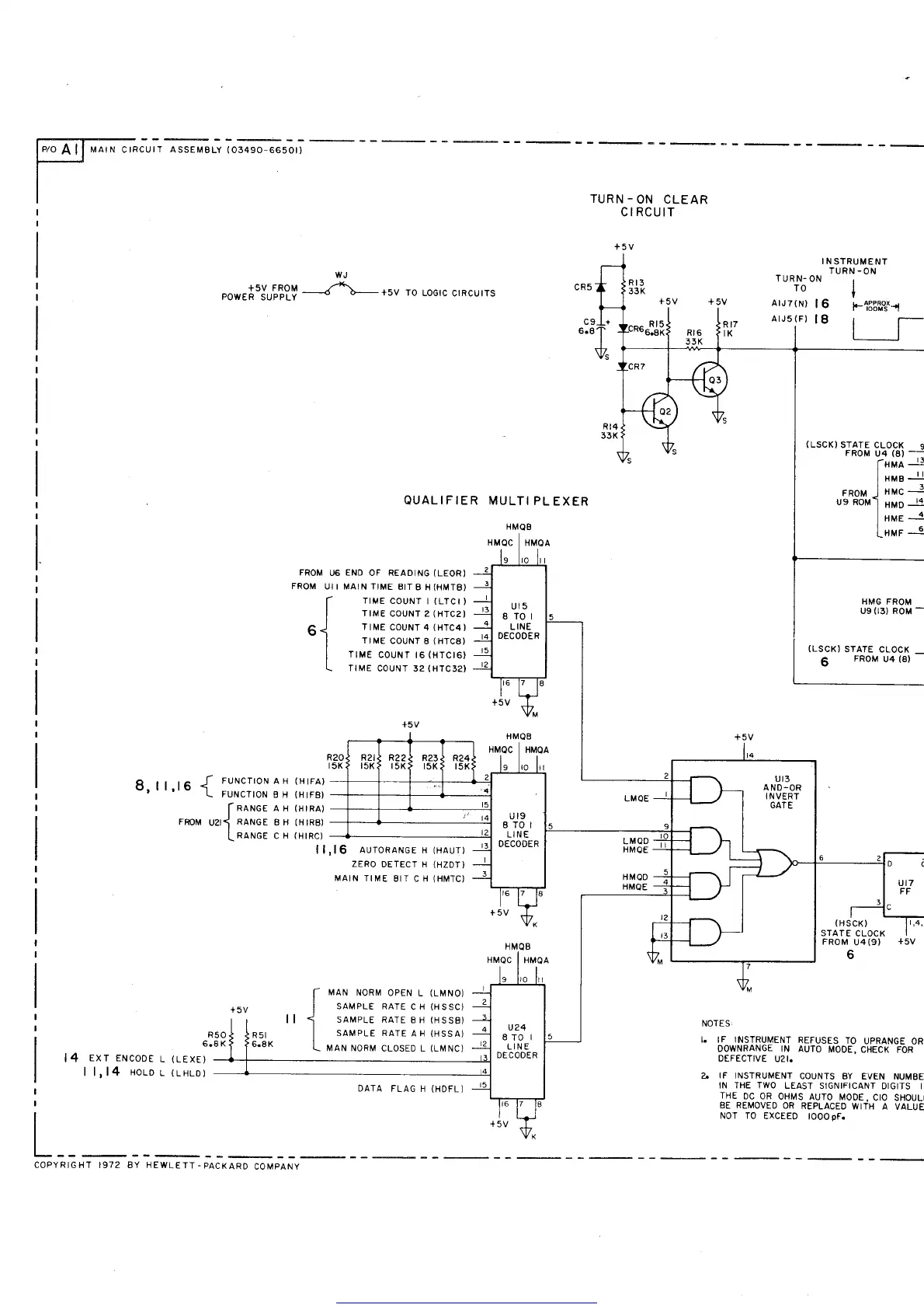
NOTES.
I.
IF INSTRUMENT
REFUSES
TO
UPRANGE
OR
DOWNRANGE IN AUTO
MODE. CHECK
FOR
DEF€CTIVE
U2I.
2.
IF
INSTRUMENT
COUNTS
BY EVEN
NUMBE
IN THE TWO
LEAST SIGNIFICANT
DIGITS II
THE
0c OR
OHMS
AUTO MODE,
CtO SHOULT
8E
REMOVEO
OR
REPLACED
WITH
A VALUE
NOT TO
EXCEED
lOOOpF.
L
COPYRIGHT 197? 8Y
HEWLETT.PACKARD
COMPANY
DATA
FLAG H
(HOFL)
Get other manuals https://www.bkmanuals.com

Table of Contents