EasyManua.ls Logo

HP 3490A - Page 219

HP 3490A
298 pages
Print Icon
To Next Page IconTo Next Page
To Next Page IconTo Next Page
To Previous Page IconTo Previous Page
To Previous Page IconTo Previous Page
Loading...
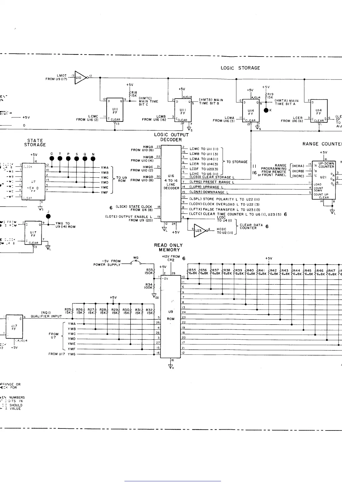
LOGIC
STORAGE
(
H MTC)
MAIN
TII\4E
BIT C
LCM B
FROM
Ut6
fl6)
(HMTA)
MAIN
TIME BIT A
,^
UP-DOWN
'^
COUNTER
ta
,^
o^
''
u2i
^^
LoaD
oc
COU
NT
DOWN
COUNT UP
CLEAR
E\-
(HMTB)
MAIN
TIME
8IT
B
LCMA
FROM
U16
(3)
LCMC
FROM
UI6
12)
LOGIC
OUTPUT
DECODER
RANGE
COUNTE'
+5V
HMQA
FROM
UIO
(6}
HMQB
FROM
UIO
(4)
HMQC
FROM
UIO
(2)
HMQD
FROM
UtO
(8)
STATE
STORAGE
+5V
11
RANGE
l-lirCaat
. .
PROGRAMMING
I
IA
FROM
REMOTE
I
(HCRB)
,-
or
FRONT PANEL
L(HCRC)
STORAGE
L
l-
TO
Uil
(il)
TO
Uil
(3)
TO Ur4
{
il)
TO
Ut4(3)
TO
U20(3)
ro
u6
0t)
CLEAR S'
LCMC
LCMB
LCMA
LCDF
POLARITY
L
TO
U22
(II)
OVERLOAD
L
TO U22
(3)
TRANSFER
L TO U23(13)
T]ME
COUNTER
L TO
U6(I),U23(5}
6
ro
u4
(r)
I
i
3bEi,?#'^
e
röüä
rrrr
-l
(LSPL)
STORE
(LCOV)
CLOCK
(
LFTX)
FALSE
(LCTC}
CLEAR
YMA
I
YM8
|
YMC
I
TO
U9
vr.,lo
I
RoM
YME
I
YMF J
a
A
(LSCK)
STATE CLOCK
-
FROM
U4
(8)
(LOTE}
OUTPUT
ENABLE
L
FROM
U9
(20)
2
YMG
TO
u9
04)
ROM
+5V
READ
ONLY
MEMORY
+I2V
FROM
^
cR2
o
(N0
t)
QUALIFIER
INPUT
l-
YMA
I
YMB
FRoM
I
Y l\'lc
u7
1 vr,,to
I trt
I
L YMF
FROM
UI7
YMG
F-A\GE
OR
ta(
FoR
rE\ NUMBERS
r-:3TS lN
: : SHOULO
;
:
VALUE
Get other manuals https://www.bkmanuals.com

Table of Contents