EasyManua.ls Logo

HP 3490A - Page 220

HP 3490A
298 pages
Print Icon
To Next Page IconTo Next Page
To Next Page IconTo Next Page
To Previous Page IconTo Previous Page
To Previous Page IconTo Previous Page
Loading...
I <Rtg
la.ro.r4 ?
l5K
12r^--------:l
I
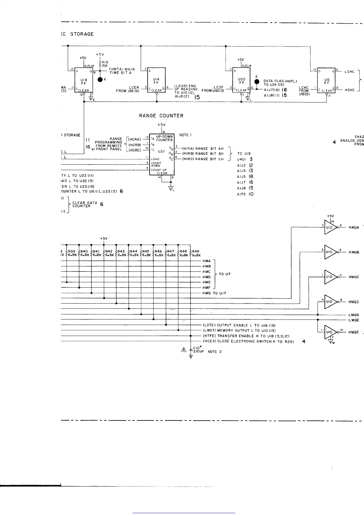
(HMTA)
MAtN
Tll\,lE
BIT
A
K
LCER
FROt\,t
Ut6
(6)
.
(LEoR)
END
r .nF
-
?5 Sili;j:.
FRoMU''6iIä)
ArJs(2)
l5
OATA FLAG
(HDFL)
TO
U24 ils)
LCHC
'F--.-ArJ7(16)
l6
Fäöü
I
arualrrl
15
ul6(5)
IC STORAGE
RANGE COUNTER
+5V
4
o*otonrä5[i
",)
BrE**#'^
.
TO
U19
u4or
3
atJ2
l?
nru:
l3
at,.rs
l8
ar,rz
16
rrJe
l5
nrpz
lO
(LOTE)
OUTPUT
ENAELE
L
TO
UI6
(I9)
(LMOT}
MEMORY
OUTPUT L IO
UIO
(13)
(HTFE)
TRANSFER
ENABLE
H TO
UI8
(3,9,12)
(HCE5)
CLOSE
ELECTRONIC
SWITCH
H
TO R20I
HMA
I
rua
I
t"t
I
to
ut
HMD
I
HME
I
HMF
-J
HMG
TO
U 17
,"
uP-D0wN
'A
COUNTER
iB
t
,r,
lo
LoaD
oc
COU NT
DOWN
Get other manuals https://www.bkmanuals.com

Table of Contents