EasyManua.ls Logo

HP 3490A - Page 221

HP 3490A
298 pages
Print Icon
To Next Page IconTo Next Page
To Next Page IconTo Next Page
To Previous Page IconTo Previous Page
To Previous Page IconTo Previous Page
Loading...
LS HC
TRANSFER
AND
ZERO
DETECT
+5V
(HAZD)
ANALOG
ZERO
DETECT
FROM
U203
(7)
HMQC
(
LTXF)
rnarusrER
L 6
ro
u?,4
(HZDT)
ZERO OETECT
H
TO
ut9fl)
OUALI FIER
ENABLE
SIGNALS
^r
iöi,liisliä)31,"q
3Yä1.^.dP
(HTC32)
TIME COUNT
32
(
LCOV)
CLOCK
OVERLOAD
L
FROM
UI6(9)
ALL
IC's
Vl€WED
FROM
TOp
ut8
AND
-
OR
INVERT
GATE
INPUT
POLAR
ITY
STORAG
E
IIME
COUNT
32
(HTC32)
(HTFE
)
TANSFER
ENABLE
H
FROM
U9
(2I)
3
l8'd',tshäl'"
5'8
3,9,
t2)
rc
R20
|
i
_l
*""^;'
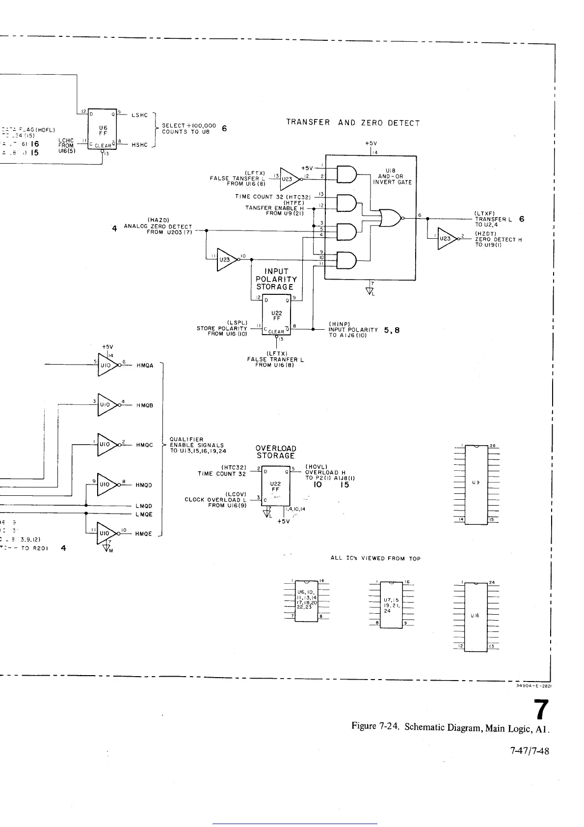
Figure
7-24.
Schematic
Diagram,
Main
Logic,
Al.
7471.748
Get other manuals https://www.bkmanuals.com

Table of Contents