EasyManua.ls Logo

HP 3490A - Page 228

HP 3490A
298 pages
Print Icon
To Next Page IconTo Next Page
To Next Page IconTo Next Page
To Previous Page IconTo Previous Page
To Previous Page IconTo Previous Page
Loading...
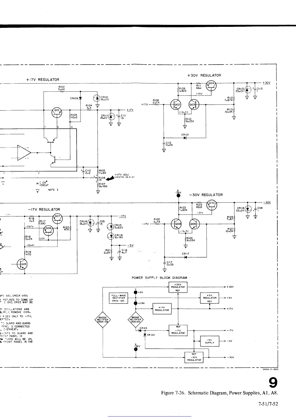
+3OV REGULATOR
+ l7v
REGULATOR
Rr05
ll'aK
+r7v aDJ
R 106
aj(tocarED
ox
ar
all
R
r07
8.45
K
_3OV
REGULATOR
-I7V
REGULATOR
9
Schematic Diagram,
Power
Supplies,
Al, A8
7-5117-s2
Figure 7-26.
Get other manuals https://www.bkmanuals.com

Table of Contents