EasyManua.ls Logo

HP 3490A - Page 227

HP 3490A
298 pages
Print Icon
To Next Page IconTo Next Page
To Next Page IconTo Next Page
To Previous Page IconTo Previous Page
To Previous Page IconTo Previous Page
Loading...
,l'
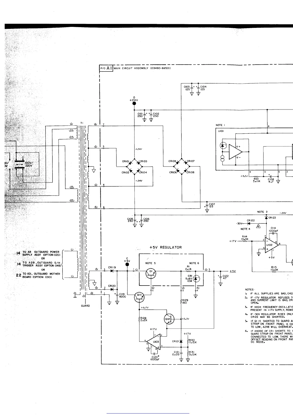
rr TO
Aa OUTGUARD Powen
l'
rI
grppry
assr
(optror'r
ozot
I
'
..
..'..
',
,',..,
oR
I
rr
TO
A29.OUTGUARO
S/H
/
rr
TRTGGER Assy
{oPTtoNo45}\
oRl
,,
To ßt, oUTGUARD MoTHER
i
--
goARo
(oPToN
o30)
\9lll\9ll
J-*i
lI
ouiro
|
\Y
NOTES
.
I. IF
ALL
SUPPLIES
ARE
BAD,CHEC
Z. IF
-I7V
REGULATOR REFUSES
T(
AND
CURRENT LIMIT IS BAO. CRI
OPEN.
IF
HIGH FREOUENCY OSCILLATIO
PRESENT lN
+l7V
SUPPLY,
REMO
IF
-3OV
REGULATOR RISES ONLY
CRI22 MAY BE SHORTEO.
IF OI IS SHORTED
TO GUARO AI
STRAP
ON FRONT PAN€L
15
COI
TO
LOf,
A2R8
WILL OVERHEAT.
IF ANODE OF CRI SHORTS
TO
(
EJARO
STRAP ON
FRONT PANEL
CONNECTED
TO LOW, THERE
WIl
OFFSET READING ON FRONT
PAI
DC MOOE.
REGULATOR
Get other manuals https://www.bkmanuals.com

Table of Contents