EasyManua.ls Logo

HP 3490A - Page 230

HP 3490A
298 pages
Print Icon
To Next Page IconTo Next Page
To Next Page IconTo Next Page
To Previous Page IconTo Previous Page
To Previous Page IconTo Previous Page
Loading...
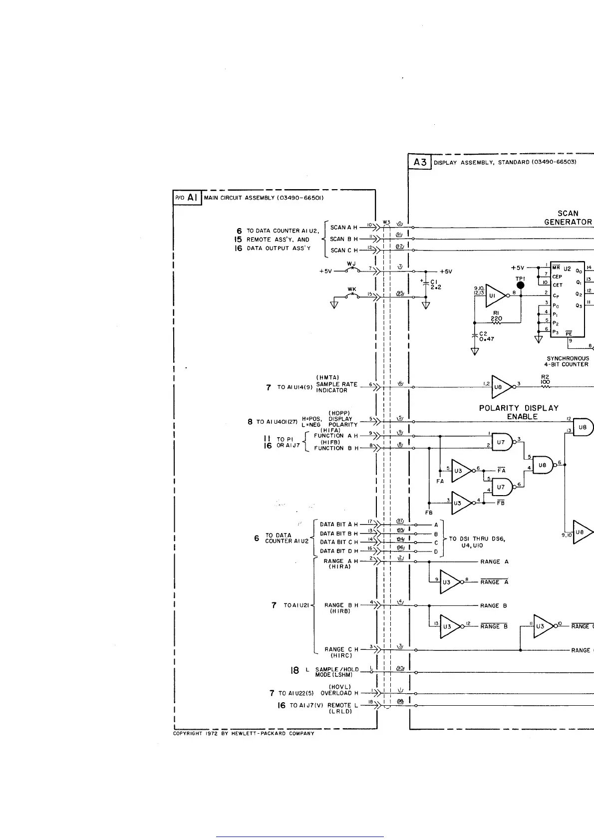
MA|N
CTRCUTT
ASSEMBLY
(
03490-6650r
)
(
HMTA}
SAMPLE RATE
'
I
U
AI
UIA{V'
INDICATOR
(
HDPP)
8
roaru4oreil
i=i33'
SfTH[r-+:
DISPLAY
ASSEMELY, STANDARD
(03490.66503)
POLARITY DISPLAY
ENABLE
MR
UZ
Oo
CEP
cET
ot
cp
Q2
P6
03
P1
P2
P:
Fe
COPYRIGHT I972 8Y HEWLE1T-PACKARO COMPANY
Get other manuals https://www.bkmanuals.com

Table of Contents