EasyManua.ls Logo

HP 3490A - Page 231

HP 3490A
298 pages
Print Icon
To Next Page IconTo Next Page
To Next Page IconTo Next Page
To Previous Page IconTo Previous Page
To Previous Page IconTo Previous Page
Loading...
;
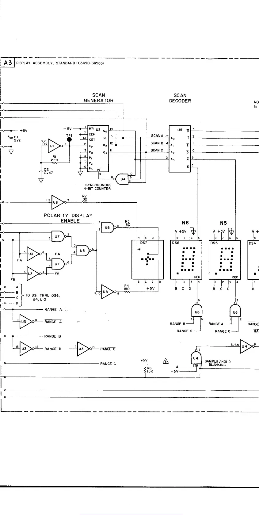
A3
lorseuv
assEMBLy,
sTaNDARD
(os49o.66503)
SCAN
GENERATOR
SCAN
DECODER
scalrör
f-* I
FUNCTIONA€rf
|
--
I
FUNCTIONB\cc
Ü
+5V
üc
?cv
v
J
SaMPLE
RATE
'r
o
f---'-;;--l
POLARITY\9c
I I
RANGESsJ
;--------_.i;
RANGEC\t/J
7
RANGE
A
üJ
r-----:::----.1
oVERLoAD
Vc
|
,,
I
c2
o.47
SYNCHRONOUS
4.BIT COUNTER
R2
roo
POLARITY
DISPLAY
ENABLE
FB
It
r-A
I
+Rl
|
^ : Fro
DSt rHRu
os6,
Tl-:
I
u4, uro
T..,-"J
RANGE A
RANGEI
RAiIGE
FII
+5V
A
SAMPLE
/ HOLD
SLANKING
t5K
frE
UZ
oo
CEP
cET
01
cp
Q2
Ps
03
P1
P?
Get other manuals https://www.bkmanuals.com

Table of Contents