EasyManua.ls Logo

HP 3490A - Page 245

HP 3490A
298 pages
Print Icon
To Next Page IconTo Next Page
To Next Page IconTo Next Page
To Previous Page IconTo Previous Page
To Previous Page IconTo Previous Page
Loading...
,;;,..*
'.,
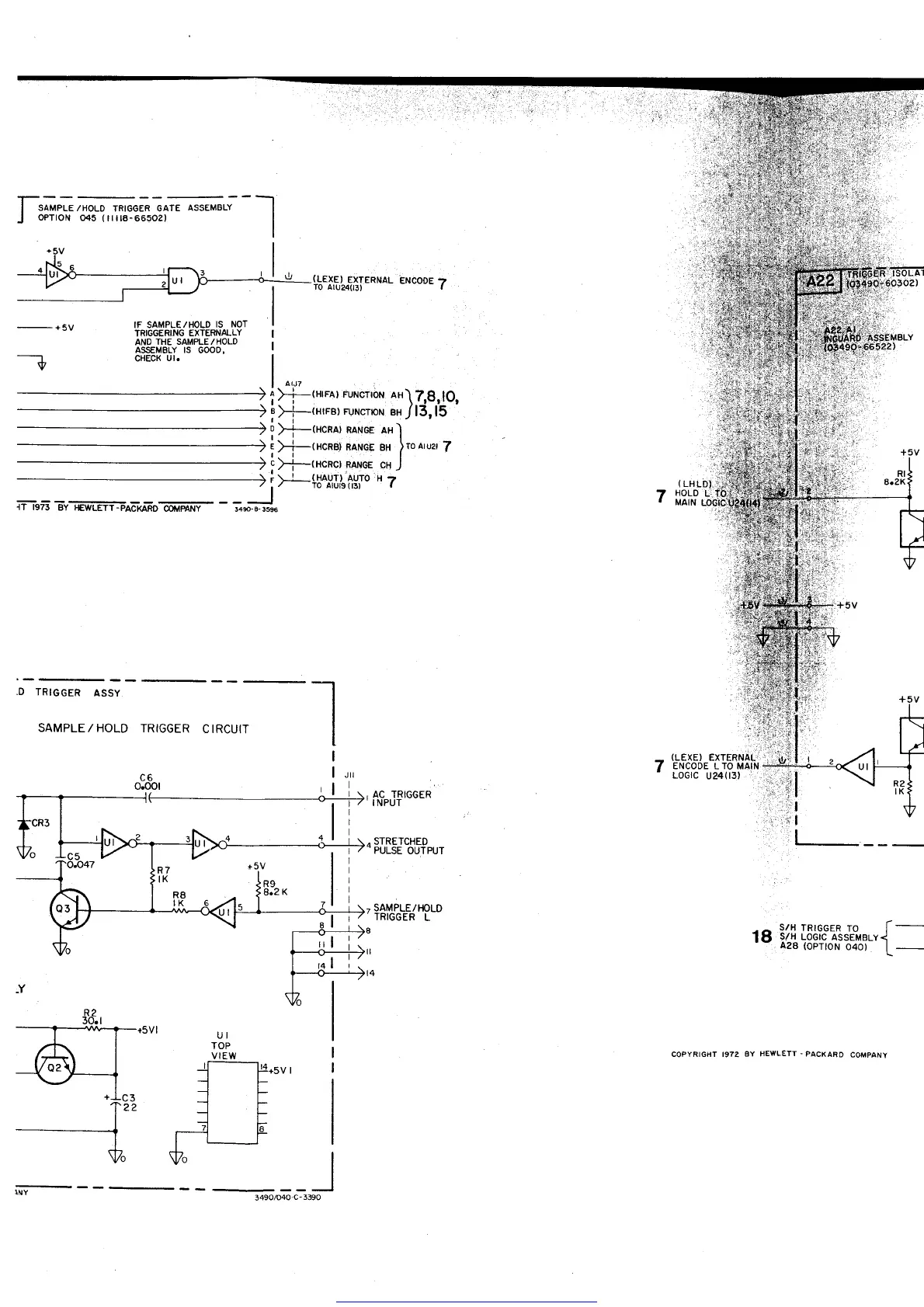
SAMPLE/HOLD
TRIGGER GATE
ASSEMBLY
oPTroN
O45
fiilt8-665021
I
I
,ij;
.;;i
t;;:'l,:,;t;;1
.::..:.1!;i;:l
-":;
:
..:!
;.1',
.D
TRIGGER
ASSY.
SAMPLE
/ HOLD TRIGGER
C IRCUIT
(LEXE)4EXTERNAL
ENCOOE
7
?
SAMPLE/I{OLD
'
TRIGGER
L
(
LHLD)
'
HOLD
L:
MAIN
(LEXE)
EXTERNAL.
ENCOOE
LTO
MAIN
LOGIC
U24il3)
,
;
''il
'.
';,1
',r:l
r,:
I
I
-^
s/H TRTGGER
TO
s/H
LOGTC
ASSEMBLY<
- -
428
(OpTtON
O40) |
-
\
-Y
E+SV
I
,.rl
'l
"l
3490/O40'C
COPYRIGHT 1972
gY
HEWL€TT.PACXARD
COMPANY
Get other manuals https://www.bkmanuals.com

Table of Contents