EasyManua.ls Logo

HP 3490A - Page 246

HP 3490A
298 pages
Print Icon
To Next Page IconTo Next Page
To Next Page IconTo Next Page
To Previous Page IconTo Previous Page
To Previous Page IconTo Previous Page
Loading...
tl
--+f-!-l-tr-
ourcuaRo
ü"
| |
üoGRouND
HOLO
L
PIN 47
EXTERNAL
ENCODE
L
PIN 46
HOLD
L
PIN 29
EXTERNAL
ENCOOE L
I
ro ooro orrr'
J
coNNEcroR J6
|ro
*."or.
,*r*
-,J
coNNEcroR
J7
l":""'"
r____+
PtN
7.il.t2
ü"!
+5V1 +svr
AC TRIGGER
INPUT PIN
8
STRETCHE
D
PULSE OUTPUT
PIN IO
S/H
TRIGGER
L
PIN 9
22K
R8
I?K
OPTION
o40
TI
,-'i
c4
o.ool
wro
a
Jumper Removed
And
Tronsformer
Added lf
Sample
Hold
Oplion ls
Inslo I led
TO
REMOTE INPUT
CONNECTOR J7
A
Rto
IK
o
FROM
POWER
-
TRANSFORIVIER
14
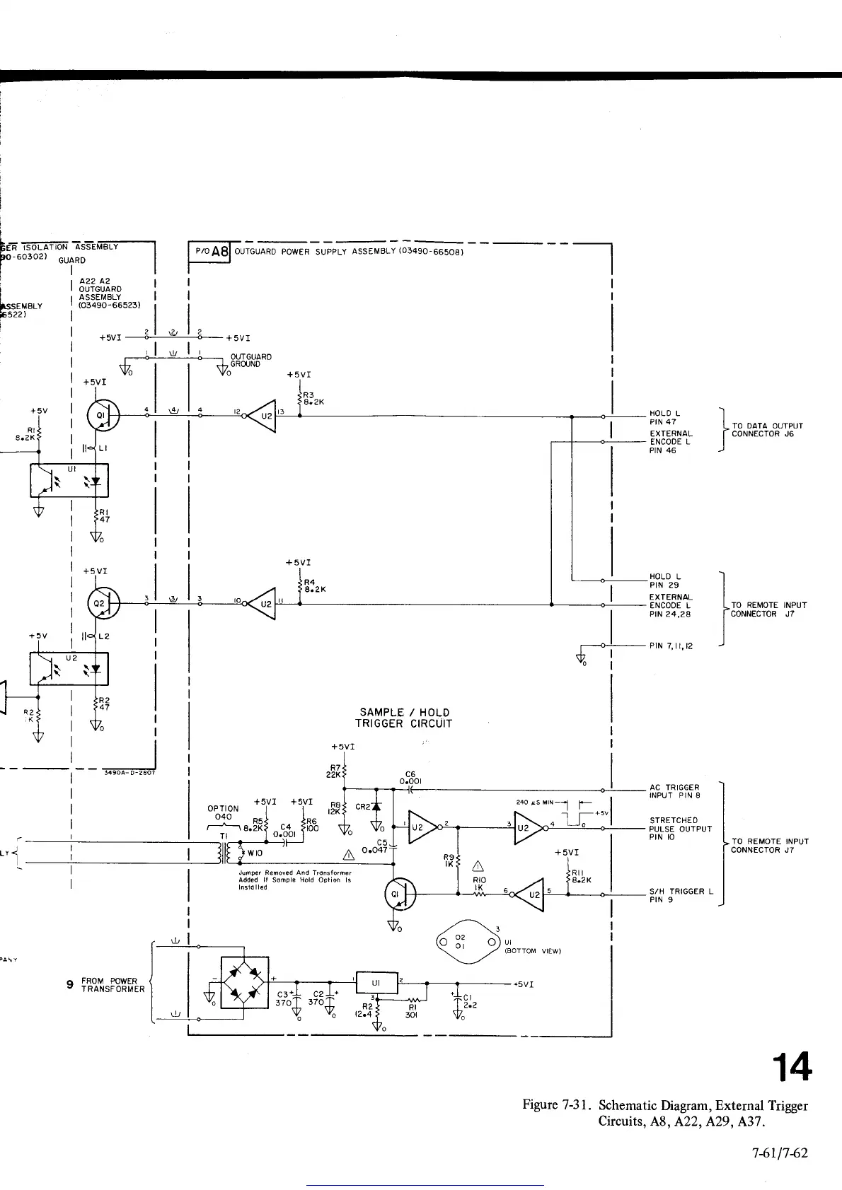
Figure
7-31.
Schematic
Dagram, External
Trigger
Circuits,
A8, A22, A29,
A37.
SAMPLE
/
HOLD
TRIGGER
CIRCUIT
7411142
Get other manuals https://www.bkmanuals.com

Table of Contents