EasyManua.ls Logo

HP 3490A - Page 248

HP 3490A
298 pages
Print Icon
To Next Page IconTo Next Page
To Next Page IconTo Next Page
To Previous Page IconTo Previous Page
To Previous Page IconTo Previous Page
Loading...
___
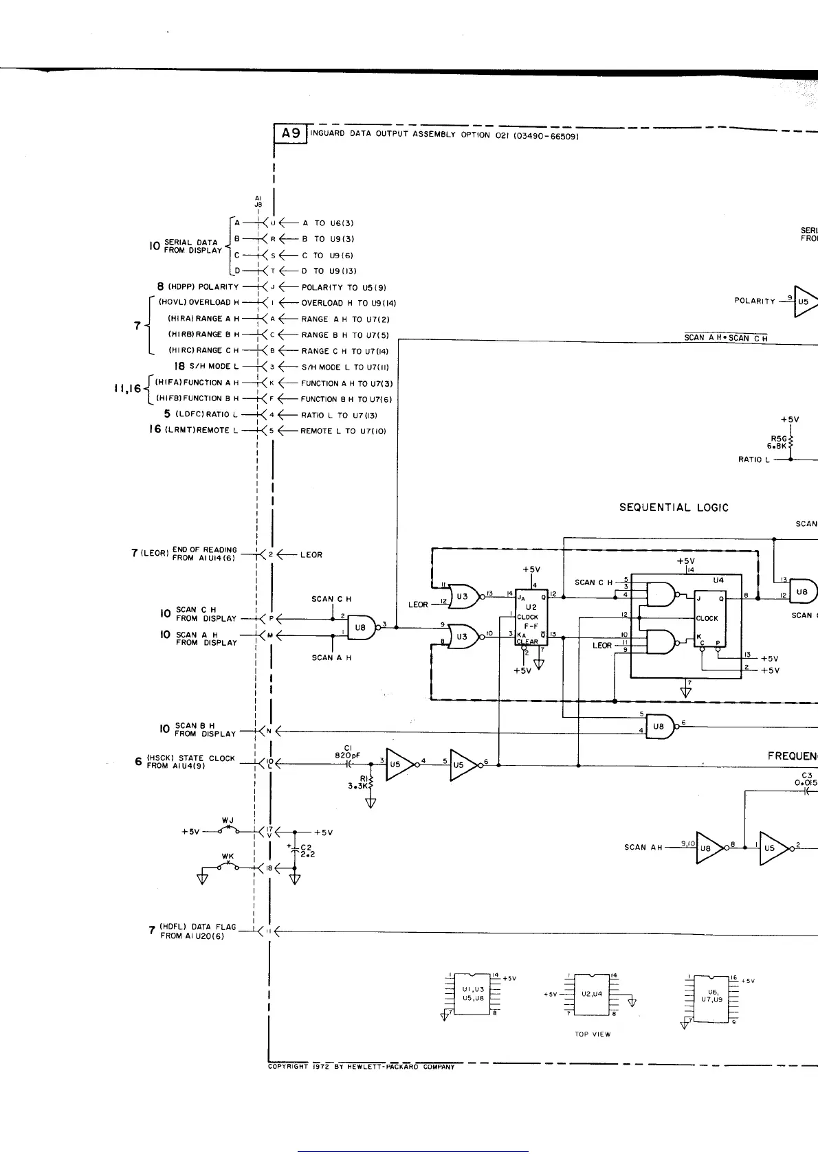
INGUARD
DATA
OUTPUT ASSEMBLY
OPTION
O2I
(O349O-65509)
J8
I
5
(LDFC)
RAlo
L
---<
l6
(unur)RervorE
L
--<
\-
a To
u6(3)
f
a ro
usol
f
c
ro
usret
<-D
ro
u9(r3)
f
eolanrrv ro
u5(9)
(-ovrnuoao
H ro
u904)
f
nar'rOe a
H TO
u7(z)
<-
RANGE
B H TO
U7(5)
(-
naruce
c
H
To
u7(14)
(-
szH MooE L ro
u7(r)
(-
rurucrroru a
H To
u7(3)
(-
rurucrror
I H
To u7(6)
f
narro
L To
u7flJ)
(-neuore
L
ro
u7(to)
SERI/
FRO!
8
(xopp)
,o.o",r,
J
l-
crovr-t ovERLoAD H
---<
Z
.]
(HrRA)
RANGE o
,
--f1
I
txraatnaruce B
"-{
l-
tHrnc)
Rrroe c H
--f(
16
sr" uooe
r_
{
I l,l
6
{tt'to)t"tt'o'
o "
--]1
'
-
[tlratruruclo'v
a r
--k
s
T
I
c
I
5
5
POLARITY
7
(LEoR)
Fil!""'^T[ä'läf
--j1,
3
r-eon
SEQUENTIAL
LOGIC
SCAN AH
lo
::äX'
?,3,.o,
-=k
lO
scaru a x
FRoM
DISPLAY
1
I
I
I
I
I
I
I
I
I
I
TnSCANBH
l.t
'v
FRoM
otspLAy
-14.
I
I
A
(HscK)
srarE clocK
t,
.
e
FROM
atu4(9)
---n
I
I
I
I
I
wJl
+sv
---J4-!--LZ
t\
SCAN C H
SCAN
A
H
82OeF
RI
3.3K
FREQUEN(
c3
o.ot5
--l€--
+5V
I
wKl
--^--<
Vi
N(-
I
,8(_
I
I
I
'i<--r
|
'+8:,
183
IV
z
(HDFL)
DATA
FLAG
, t
'
rnolt
ar
uzo(e)
IOP VIEW
aöFlElöITl5zzailEfr
lETT:p-x-rnoror-priV-
Get other manuals https://www.bkmanuals.com

Table of Contents