EasyManua.ls Logo

HP 3490A - Page 249

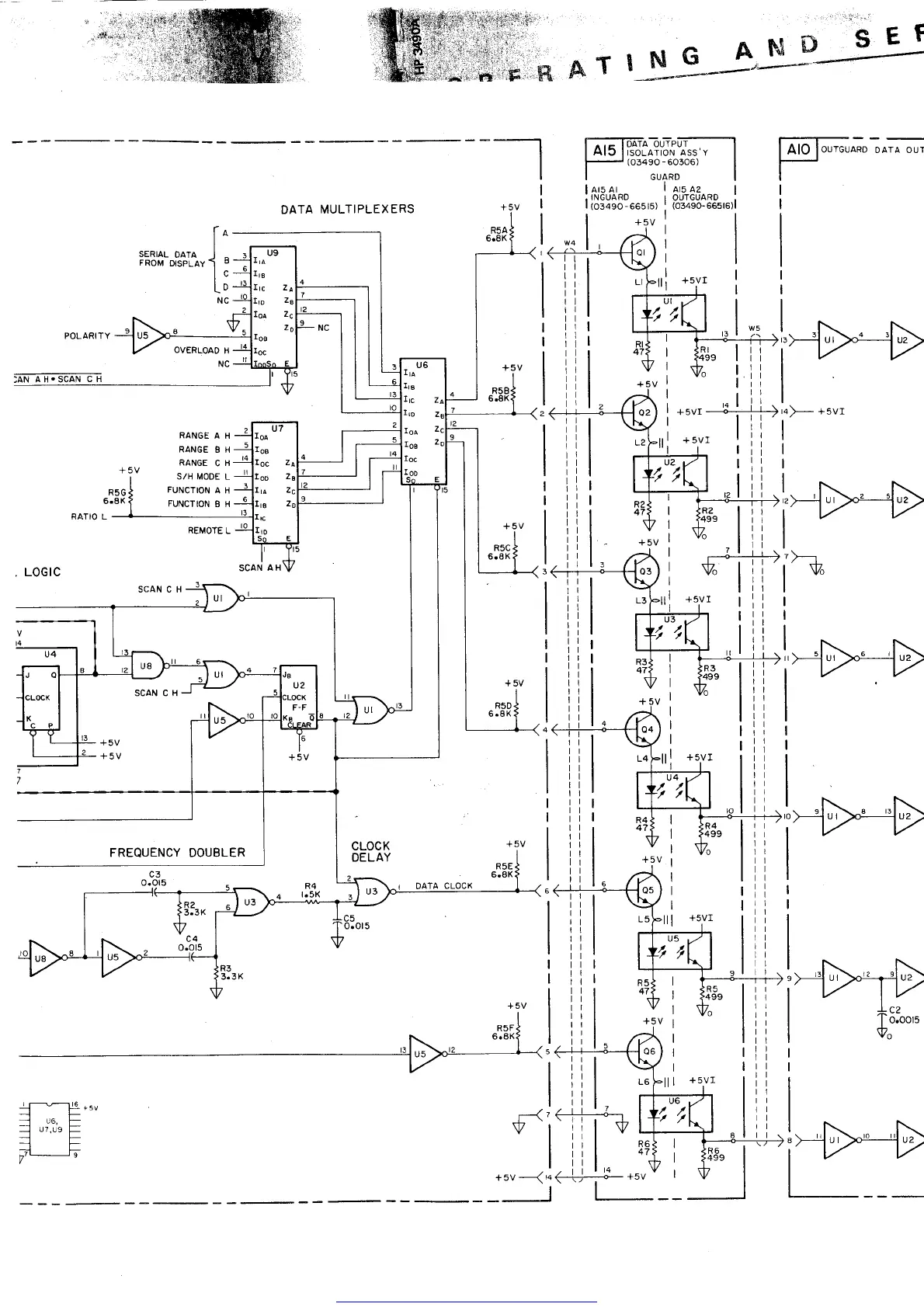
HP 3490A
298 pages
Print Icon
To Next Page IconTo Next Page
To Next Page IconTo Next Page
To Previous Page IconTo Previous Page
To Previous Page IconTo Previous Page
Loading...
DATA
MULTIPLEXERS
I
, .
,
.-
...:.i.
-.
.
eTrNc-
j,,s-$**
.qEf
F+
'
_-n
larsl$l^1.iil
-(o3aso-60306) I
I GIJARD I
lqrsar
larsaz
I
;
INGUARo
I
OUTGUARD
:
|
{o3490-665r5) :
(03490-66516)l
,,
I
Ä
,P
Ia
sERraL
DAra
| -
rnou
tlspray I
ö
[;
OVERLOAD
H
NC
.
LOGTC
FREQUENCY DOUBLER
c3
o.ot5
CLOCK
DELAY
roe
roc
roo
Ira
lre
Irc
Iro
:!---'19
+5v
__l u7,us
F
:lf
t7,
'9
V
Get other manuals https://www.bkmanuals.com

Table of Contents