EasyManua.ls Logo

HP 3490A - Page 269

HP 3490A
298 pages
Print Icon
To Next Page IconTo Next Page
To Next Page IconTo Next Page
To Previous Page IconTo Previous Page
To Previous Page IconTo Previous Page
Loading...
'..
'
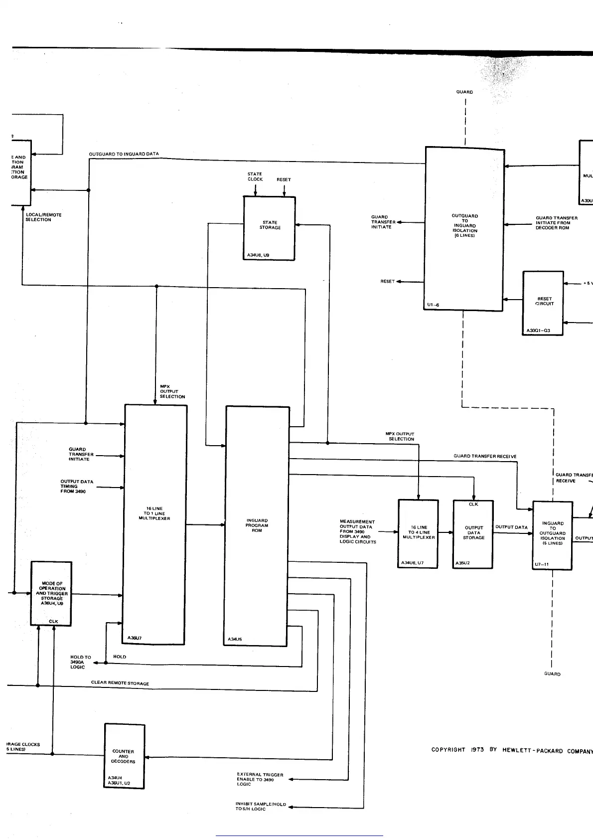
OUTGUANO TO INGUAAO
DATA
STATE
CL@K
RESET
SLECTtOil
MENUFEMENT
OUNUT
DATA
FnoM
gs
DISLAY
AND
LOGIC
CIRCUIE
GUARO
TRANSFER
RECEIVE
I
ouo"o
r"^n".,
I
REcErw
I
'AAGE
CLOCKS
5
LINES'
EXIERNAL
TFIGGEA
ENABLE
TO
g9O
LOGIC
INHIAIT
SAMPLE/HOLD
TOS/H
LOGIC
LOCAL/REMOTE
$ECTION
I6
LINE
TO
1
LINE
MULTIPLEXEF
COUNTER
oEcooERS
434U4
ASUI,
u2
COPYRIGHT
t973
BY
HEWLETT-PACKARO
COMPANY
Get other manuals https://www.bkmanuals.com

Table of Contents

Related product manuals