EasyManua.ls Logo

HP 3490A - Page 277

HP 3490A
298 pages
Print Icon
To Next Page IconTo Next Page
To Next Page IconTo Next Page
To Previous Page IconTo Previous Page
To Previous Page IconTo Previous Page
Loading...
| ^ "ETGpr
I
-rl?ul'F5-ß-olqrroil
Ä's--
(
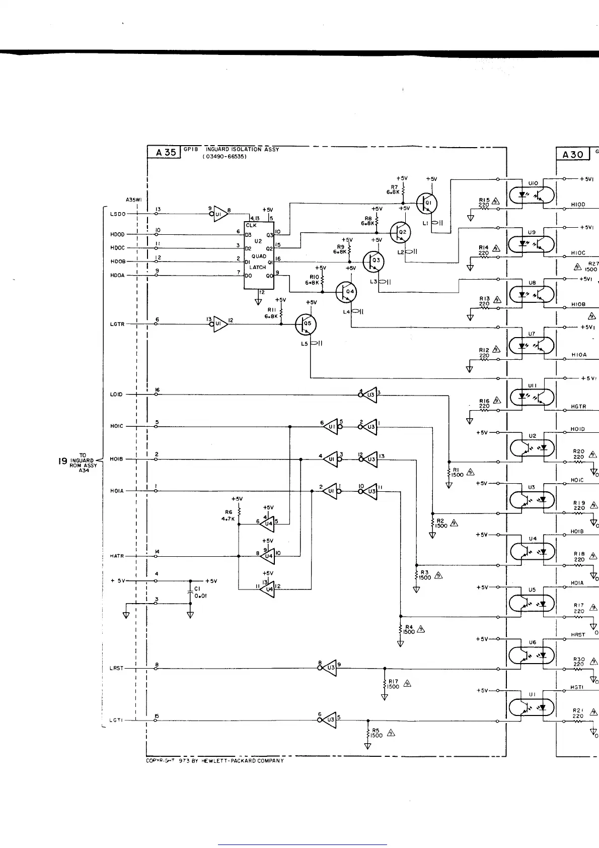
03490-66535,
I
rl
rt
t
*uu
+sv
i
..r'-l
^l I I
+5V
R8
6.8K
nrz
A
+5V
4.7K
R2
,A.
tsoo
6
Rl7
^\
+
R9
6.8K
A
+5V
I
+5V
H IOA
+5vr
HGTR
ä33
a
::: ^\
I
COPYR,GI'
973 8Y
i€WLETT-PACXARD
COMPANY
R5,A
t500
a
R2r
Ä\
zzo
o
Get other manuals https://www.bkmanuals.com

Table of Contents