EasyManua.ls Logo

HP 5254C - Page 63

HP 5254C
69 pages
Print Icon
To Next Page IconTo Next Page
To Next Page IconTo Next Page
To Previous Page IconTo Previous Page
To Previous Page IconTo Previous Page
Loading...
Section
V
IHZ
(05254
-6022)
(NOTE
I)
SERIES
712
NOTES
REFERENCE
DESIGNATIONS
REFERENCE
DESIGNATIONS
WITHIN THIS
ASSEMBLY
ARE
ABBREVIATED,
ADD
ASSEMBLY
DESIGNATION AS
PREFIX TO
FORM
COMPLETE
DESIGNATION
UNLESS
OTHERWISE
INDICATED:
RESISTANCE
IN OHMS;
CAPACITANCE IN
PICOFARADS
INDUCTANCE
IN
MICROHENRIES
ASTERISK (*)
INDICATES
SELECTED
COMPONENT,
AVERAGE VALUES
SHOWN
NO
PREFIX
Al
A2
P6
C 1
-
29
L 1
-
18
QI-6
C
1,2
CR 1
RI-17
Tl
Rl
Wl,
2
Yl
COPYRIGHT 1967 BY
HEWLETT-PACKARD
COMPANY
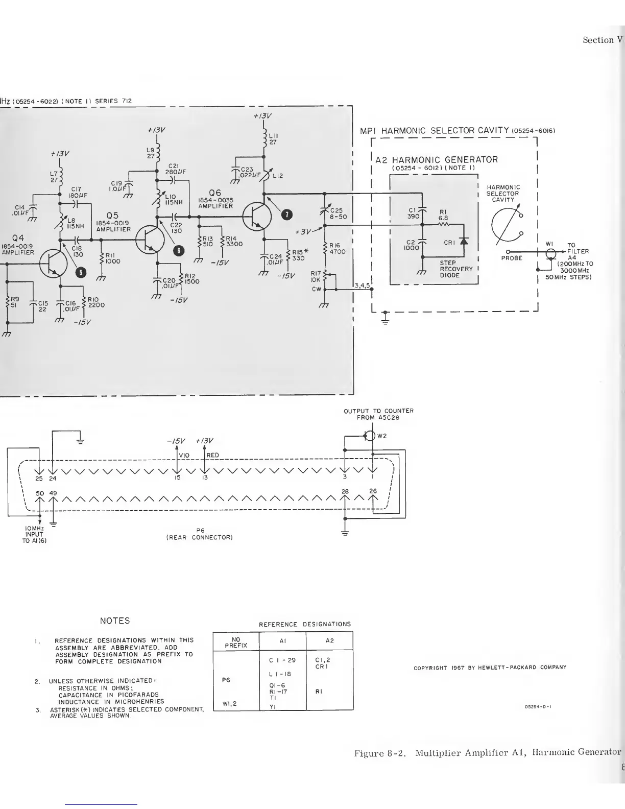
Figure
8-2. Multiplier
Amplifier
Al,
Harmonic
Generator

Related product manuals