EasyManua.ls Logo

HP 5254C - And Video Amplifier

HP 5254C
69 pages
Print Icon
To Next Page IconTo Next Page
To Next Page IconTo Next Page
To Previous Page IconTo Previous Page
To Previous Page IconTo Previous Page
Loading...
Section
VHI
12 AMPLIFIER
SIDE
PLATE
NOTES
i.
REFERENCE
DESIGNATIONS
WITHIN THIS
ASSEMBLY ARE ABBREVIATED.
ADD
ASSEMBLY DESIGNATION AS
PREFIX TO
FORM
COMPLETE DESIGNATION
2. UNLESS OTHERWISE
INDICATED:
RESISTANCE
IN
OHMS;
CAPACITANCE
IN PICOFARADS
INDUCTANCE IN
MICROHENRIES
3 CI,C2,C3 ARE
CAPACITIVE
FEED THROUGH
FILTER
NETWORKS
4. A3C2.A3C3
ARE
CONDUCTOR CAPACITORS
CONSISTING OF TEFLON
TUBING OVER
THE
CONDUCTOR
5 DIODES
CRIA AND CRIB ARE
MATCHED
PAIR
REFERENCE
DESIGNATIONS
NO
PREFIX
A3 A4
A5
C
1
-
3
C 1
-3
C
1-5
C
1
-
30
CRI
CRI
-3
Jl
Jl
L
1
-
4
El
LI
-5
Ml
MP
12,14
R
1-4
Ql
-
15
R
1
-
51
WI-3
COPYRIGHT 1967
BY HEWLETT-PACKARD
COMPANY
05254
-
0
-3
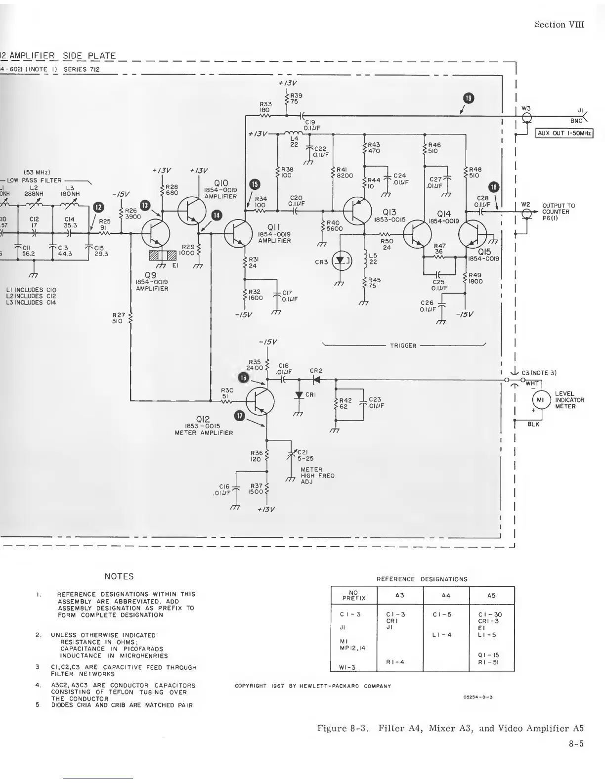
Figure
8-3.
Filter
A4,
Mixer A3,
and Video Amplifier
A5
8-5

Related product manuals