EasyManua.ls Logo

HP LaserJet M1319 - Multifunction Printer - Page 65

HP LaserJet M1319 - Multifunction Printer
290 pages
Print Icon
To Next Page IconTo Next Page
To Next Page IconTo Next Page
To Previous Page IconTo Previous Page
To Previous Page IconTo Previous Page
Loading...
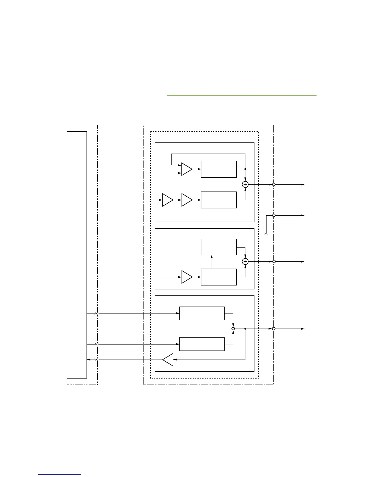
High-voltage power distribution
The high-voltage power supply applies an overlap of DC and AC voltage to the primary charging roller
and to the developing roller. This circuit also applies a positive or negative DC voltage to the transfer
roller according to the instructions from the ECU.
This circuit also controls the image density by changing the primary AC voltage and the developing AC
bias according to the print-density setting (which is set by using the print driver). High voltage is disabled
when the print-cartridge door is open.
Figure 5-4 High-voltage power supply circuit on page 47 shows
this process.
Figure 5-4 High-voltage power supply circuit
PR1
TRS
DEV
IC902
CPU
DVAC
TRNDC
TRCRNT
TRPDC
PRAC
PRPWM
IC301
IC301IC301
IC301
IC501
Positive voltage
generation circuit
J303
J304
J301
J302
DC voltage
generation
circuit
AC voltage
generation
circuit
DC voltage
generation
circuit
AC voltage
generation
circuit
Combined
Combined
Primary
charging roller
Developing
cylinder
Transfer
charging
roller
Engine controller PCB
High-voltage power supply circuit
Developing bias circuit
Transfer charging bias circuit
Negative voltage
generation circuit
Photosensitive
drum
Primary charging bias circuit
J201-14J902-10
J201-15J902-9
J201-16J902-8
J201-18J902-6
J201-17J902-7
J201-22J902-2
Power supply PCB
ENWW Product base functions 47

Other manuals for HP LaserJet M1319 - Multifunction Printer

Related product manuals