EasyManua.ls Logo

HTP EL-110 - Page 36

Default Icon
85 pages
Print Icon
To Next Page IconTo Next Page
To Next Page IconTo Next Page
To Previous Page IconTo Previous Page
To Previous Page IconTo Previous Page
Loading...
36
LP- 293 REV. 9.2.14
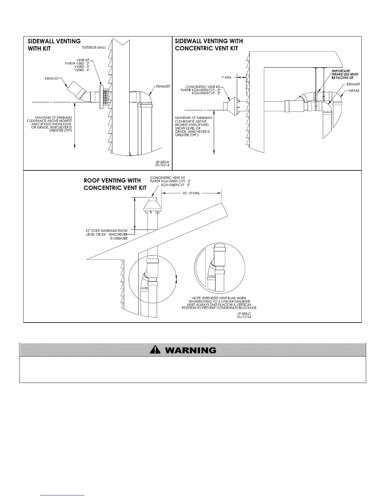
Figure 15 Venting with Optional Kits (NOT INCLUDED WITH THE WATER HEATER) NOTE: These drawings are meant to
demonstrate system venting only. The installer is responsible for all equipment and detailing required by local codes.
All vent pipes must be glued, properly supported, and the exhaust must be pitched a minimum of ¼” per foot back to the heater to allow
drainage of condensate. When placing support brackets on vent piping, the first bracket must be within 1 foot of the water heater and
the balance at 4 foot intervals on the vent pipe. Heater venting must be readily accessible for visual inspection for the first three feet
from the heater.

Table of Contents