EasyManua.ls Logo

HTP EL-110 - Page 52

Default Icon
85 pages
Print Icon
To Next Page IconTo Next Page
To Next Page IconTo Next Page
To Previous Page IconTo Previous Page
To Previous Page IconTo Previous Page
Loading...
52
LP- 293 REV. 9.2.14
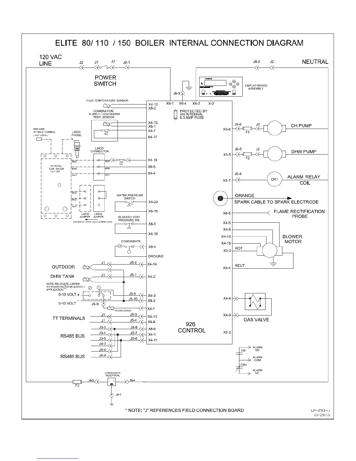
Figure 30

Table of Contents