EasyManua.ls Logo

HTP EL-80 - Page 52

HTP EL-80
85 pages
Print Icon
To Next Page IconTo Next Page
To Next Page IconTo Next Page
To Previous Page IconTo Previous Page
To Previous Page IconTo Previous Page
Loading...
52
LP- 293 REV. 9.2.14
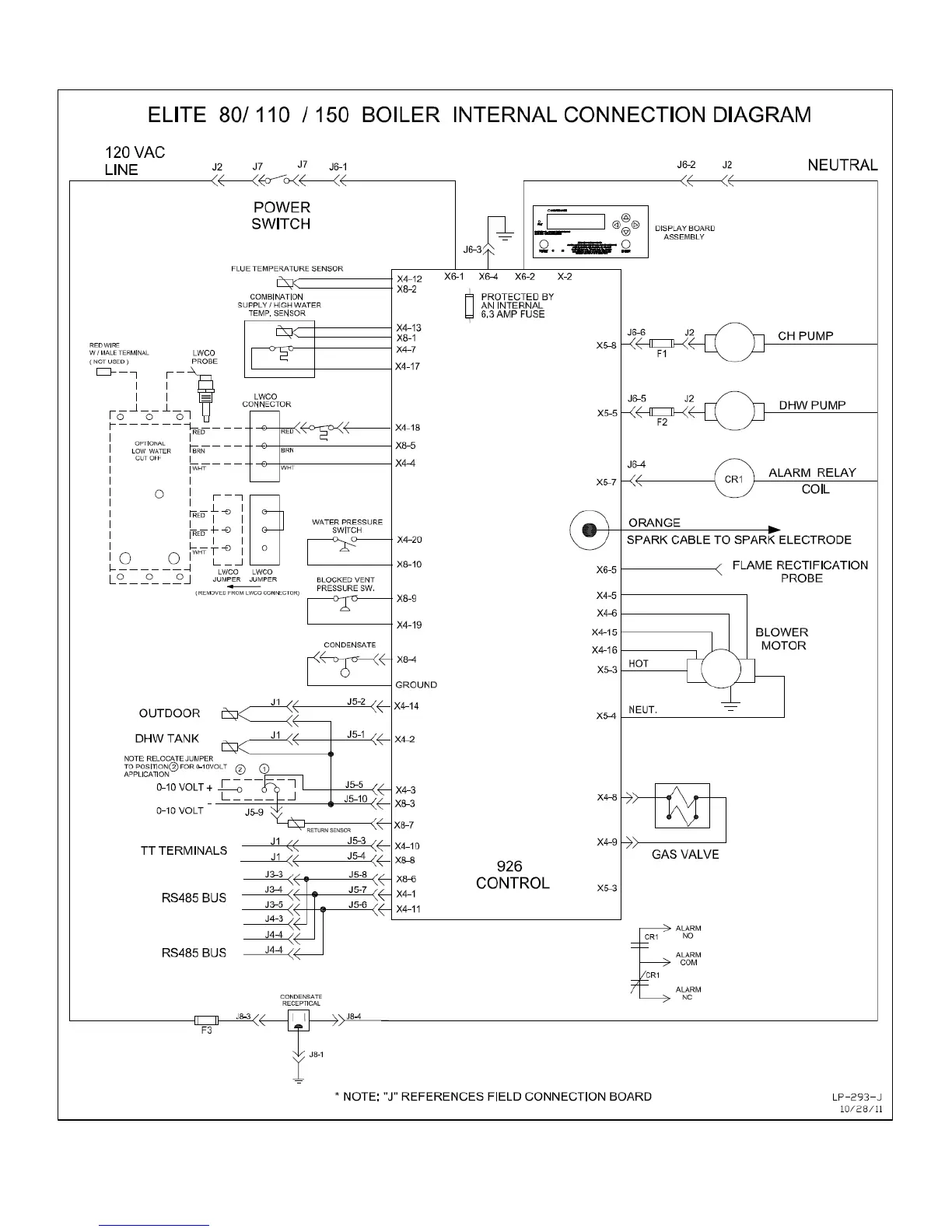
Figure 30

Table of Contents

Other manuals for HTP EL-80

Related product manuals