EasyManua.ls Logo

HTP UFTC-140 - Page 25

HTP UFTC-140
80 pages
Print Icon
To Next Page IconTo Next Page
To Next Page IconTo Next Page
To Previous Page IconTo Previous Page
To Previous Page IconTo Previous Page
Loading...
LP-648 Rev. 002 Rel. 002 Date 9.16.20
25
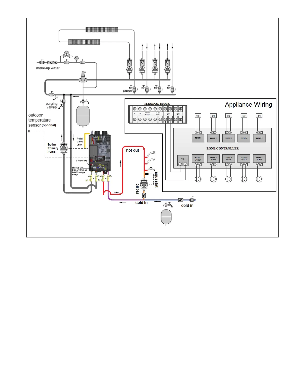
Figure 14 - Primary / Secondary Piping with Pumps - DHW Priority and Outdoor Reset with Recirculation and Boiler Primary Pump
NOTES:
1. This drawing is meant to show system piping concept only. Installer is responsible for all equipment and detailing required by local codes.
2. All closely spaced tees shall be within 4 pipe diameters center to center spacing.
3. A minimum of 6 pipe diameters of straight pipe shall be installed upstream and downstream of all closely spaced tees.
4. The minimum pipe size of DHW piping should be ¾” diameter and CH piping should be 1” in diameter.
5. Circulators are shown with isolation anges. The alternative is standard anges with full port ball valves. Purge valves can be used with
circulator anges as an alternative.
6. Piping shown is Primary/Secondary. System ow (secondary loop) must be greater than the boiler’s primary loop ow.
7. Install a minimum of 12 diameters of straight pipe upstream of all circulators.
8. VERY IMPORTANT – Minimum ow rates outlined in this manual must be maintained through the heat exchanger to minimize short
cycling.
9. Each heating zone of a pump-based system has its own circulator with turns on when a zone thermostat calls for heat.
10. Unit is equipped with built-in primary pump for the heating loop. This pump is sized to insure proper ow rate through the boiler
heat exchanger and related piping. On long pipe runs, it is recommended to keep the pump at maximum speed (setting 3). DO NOT lower it
from the factory default.
11. NOTE: DO NOT INSTALL a ow check or a pump with ow check on the return line of the primary loop going to the boiler. This will isolate
the boiler from the expansion tank, causing pressure to build up in the unit and the Pressure Relief Valve to discharge.
12. To achieve 199,000 BTU/hr, install a Boiler Primary Pump. NOTE: RECOMMENDED PUMP: TACO 0013 or equivalent.
Boiler Primary Pump Instructions:
a. Install pump. Connect the pump to boiler terminal (2A max).
b. Go into installer menu and change 19:cb from 70 (default) to 100.

Table of Contents

Related product manuals