EasyManua.ls Logo

Huawei G510 - Page 47

Huawei G510
96 pages
Print Icon
To Next Page IconTo Next Page
To Next Page IconTo Next Page
To Previous Page IconTo Previous Page
To Previous Page IconTo Previous Page
Loading...
G510 Maintenance Manual V1.0
INTERNAL
2013-01-28
Page 47 of 96
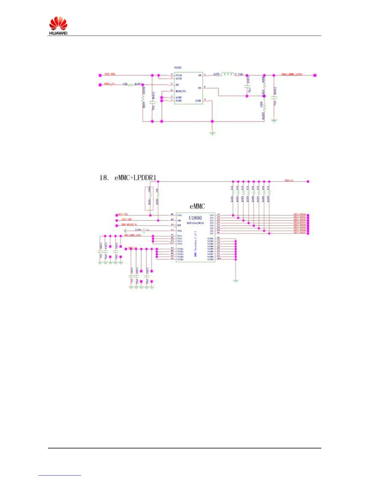
Figure 9-13 Circuit diagrams of the flash memory

Related product manuals