EasyManua.ls Logo

Huawei G510 - I;O Interface Circuit

Huawei G510
96 pages
Print Icon
To Next Page IconTo Next Page
To Next Page IconTo Next Page
To Previous Page IconTo Previous Page
To Previous Page IconTo Previous Page
Loading...
G510 Maintenance Manual V1.0
INTERNAL
2013-01-28
Page 77 of 96
NOTE
The TVS is used to provide the ESD and surge protection due to a large number of SIM card operations.
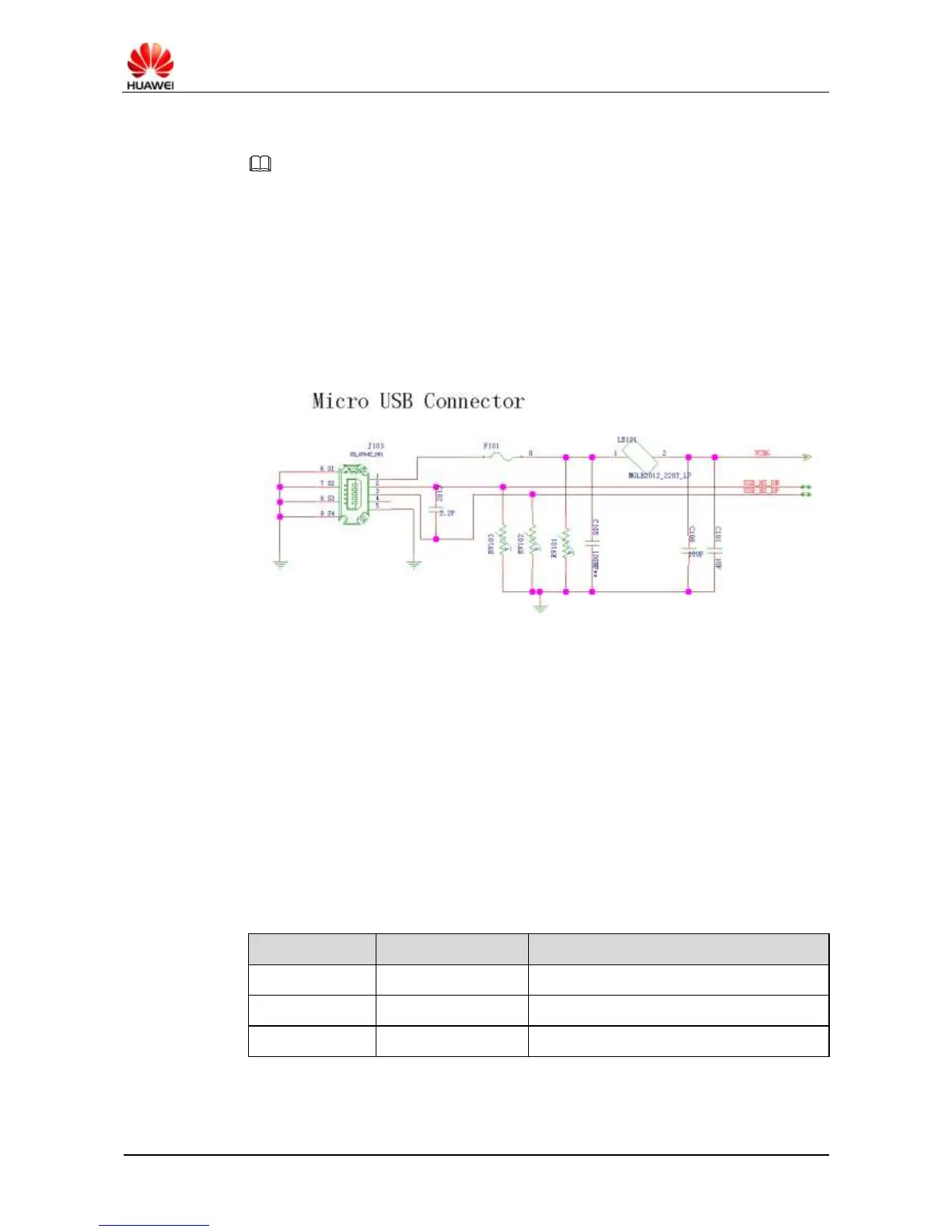
9.4.7 I/O Interface Circuit
Circuit Diagram
Figure 9-39 shows the circuit diagram of the I/O interface.
Figure 9-39 Circuit diagram of the I/O interface
Analysis
When a charger is connected to the I/O interface, the charger provides the VCHG charging
voltage to charge the battery. When a data cable is connected to the I/O interface,
USB_HS_DN and USB_HS_DP are used for communication between the G510 and computer
(to upgrade the software and read the G510's information).
Troubleshooting
Fault symptom: The I/O interface is faulty, and the battery fails to be charged.
Handling: Clean, re-solder, or replace the interface.
Circuit Symbols
Signal Symbol
Description
Reference Measurement or Waveform
VCHG
Charger power input
High level, 5 V
USB_DM
Digital signal
None
USB_DP
Digital signal
None