EasyManua.ls Logo

Huawei G510 - Headset Circuit

Huawei G510
96 pages
Print Icon
To Next Page IconTo Next Page
To Next Page IconTo Next Page
To Previous Page IconTo Previous Page
To Previous Page IconTo Previous Page
Loading...
G510 Maintenance Manual V1.0
INTERNAL
2013-01-28
Page 72 of 96
Circuit Symbols
Signal Symbol
Description
Reference Measurement or
Waveform
MIC1_P
Primary microphone input
None
MIC1_N
Primary microphone input
None
AUXI_P
Secondary microphone input
None
AUXI_N
Secondary microphone input
None
MSM_MICBIAS
Bias voltage of the primary
microphone
None
SND_MICBIAS
Bias voltage of the secondary
microphone
None
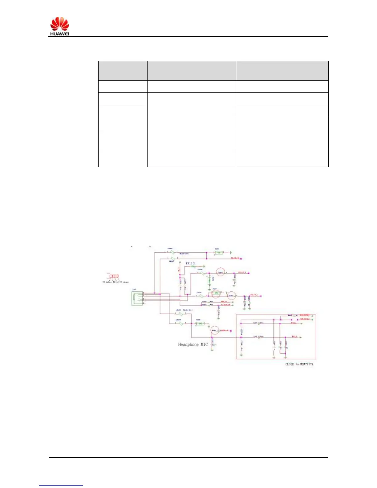
9.4.5 Headset Circuit
Circuit Diagram
Figure 9-35 shows the headset circuit diagram.
Figure 9-35 Headset circuit diagram
Analysis
The headset is tested using the GPIO_026's HS_DETECT_N after being inserted to the G510:
Before the headset is inserted, HS_DETECT_N is converted to high level by VREG_S3.
After the headset is inserted, HS_DETECT_N is converted to low level.

Related product manuals