EasyManua.ls Logo

HUSABERG FE 501 e - Wiring Diagrams - FC;FX and FC;FS Models

HUSABERG FE 501 e
34 pages
Print Icon
To Previous Page IconTo Previous Page
To Previous Page IconTo Previous Page
Loading...
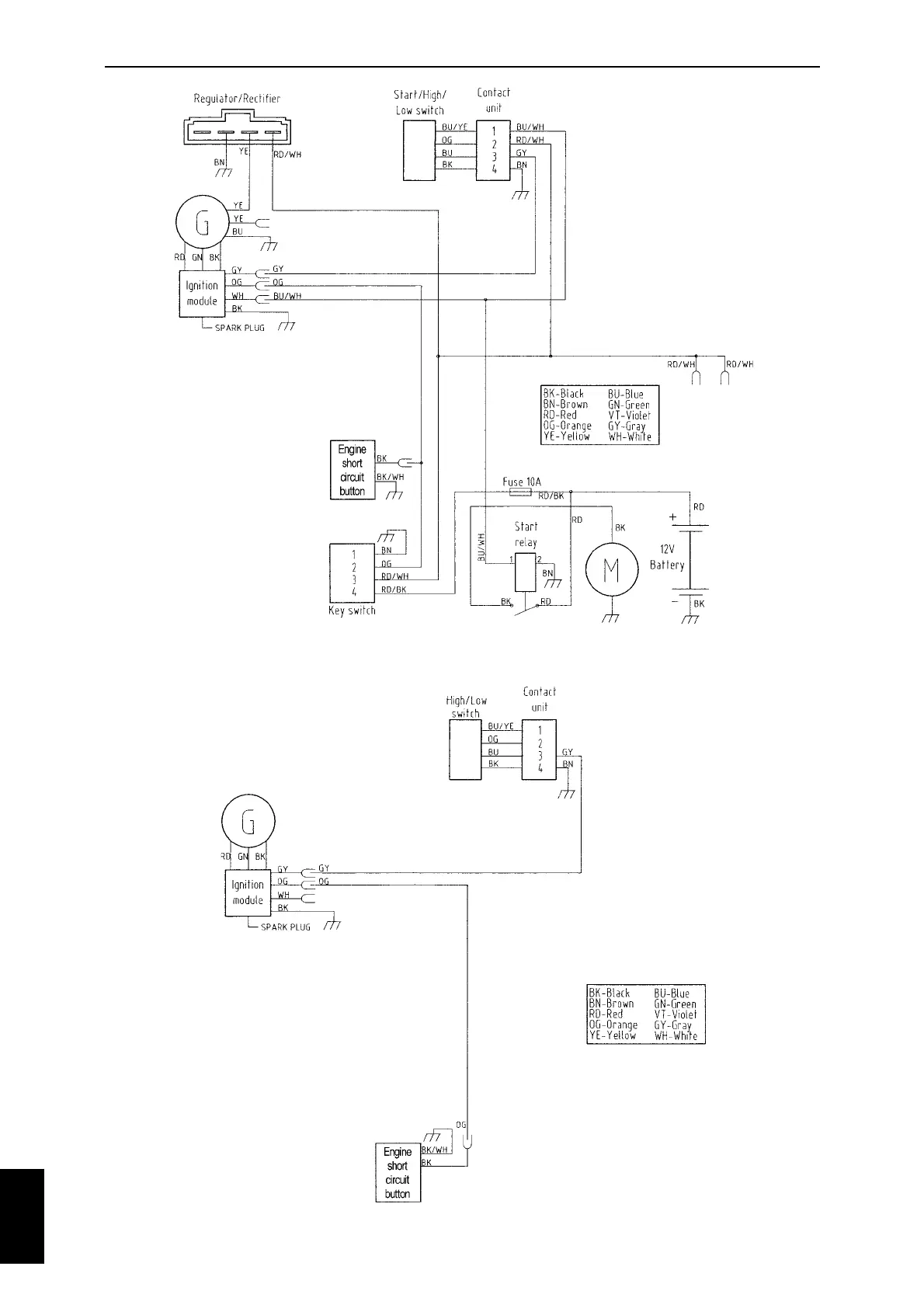
WIRING DIAGRAMS
34
12
FC and FX electrical starter models
FC and FS kick-starter models
12

Related product manuals