EasyManua.ls Logo

HUSABERG FE 501 e - WIRING DIAGRAMS; Wiring Diagrams - FE;FS Models

HUSABERG FE 501 e
34 pages
Print Icon
To Next Page IconTo Next Page
To Next Page IconTo Next Page
To Previous Page IconTo Previous Page
To Previous Page IconTo Previous Page
Loading...
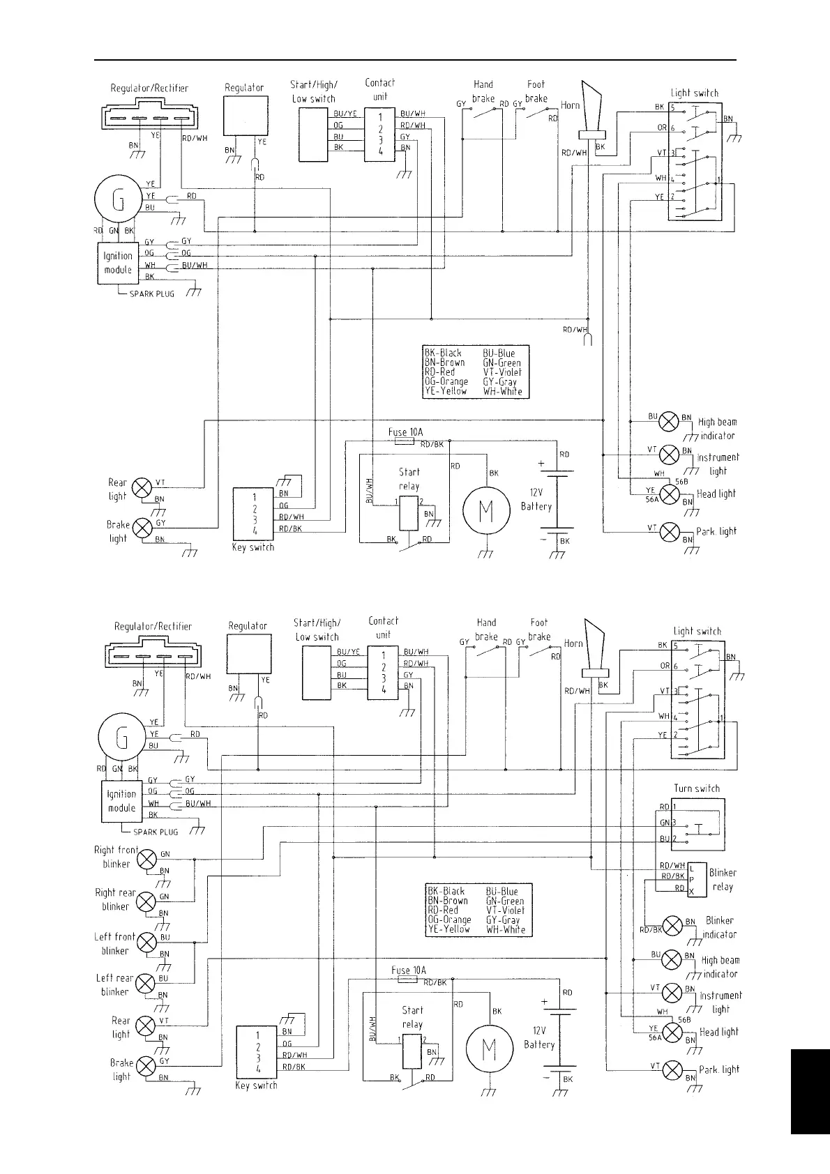
WIRING DIAGRAMS
33
12
FE and FS electrical starter models without turn signals
FE and FS electrical starter models with turn signals
12

Related product manuals