EasyManua.ls Logo

HUSABERG FS 650 e - FC;FX Electrical Starter Wiring; FC;FS Kick-Starter Wiring

HUSABERG FS 650 e
34 pages
Print Icon
To Previous Page IconTo Previous Page
To Previous Page IconTo Previous Page
Loading...
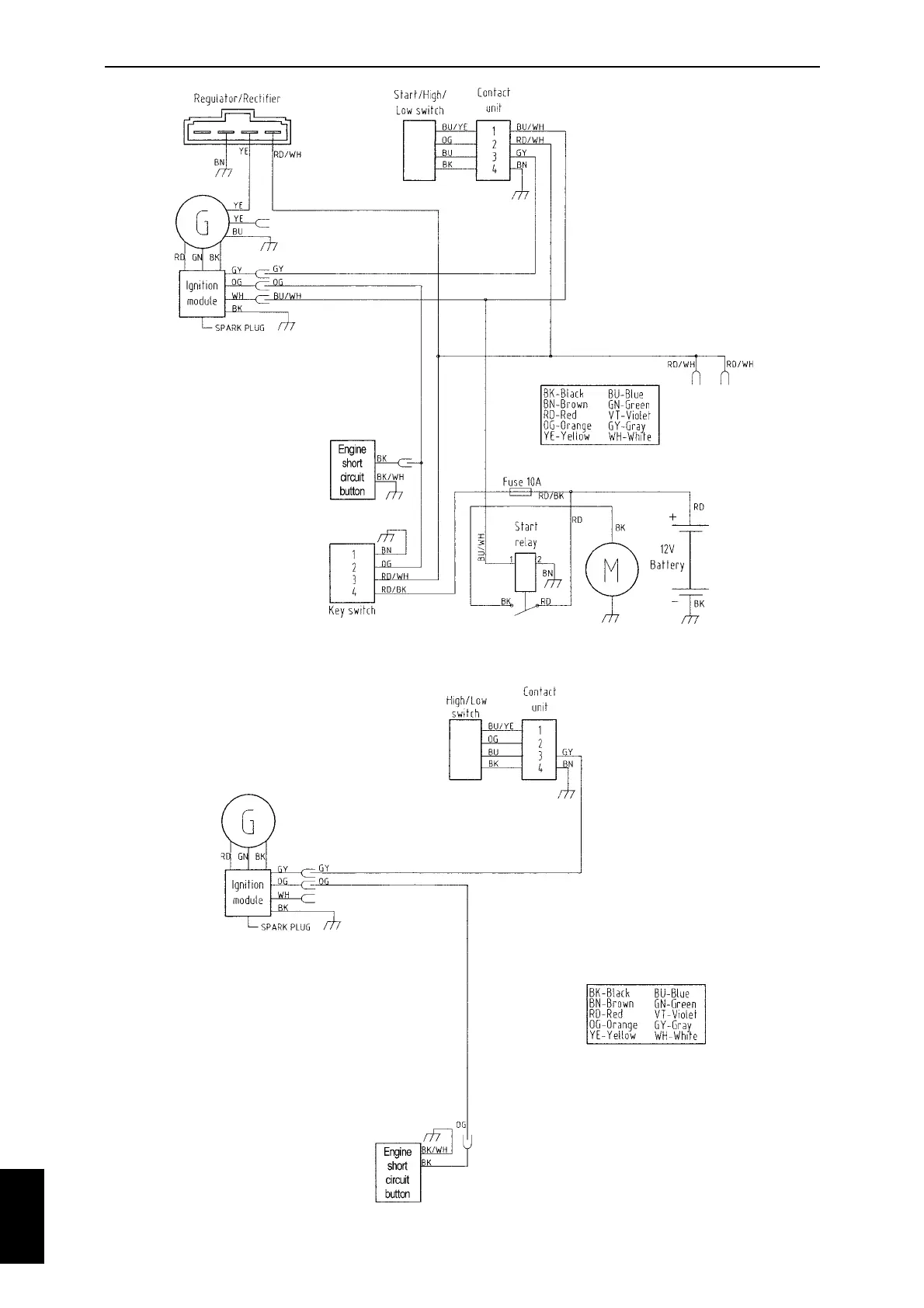
WIRING DIAGRAMS
34
12
FC and FX electrical starter models
FC and FS kick-starter models
12

Related product manuals