EasyManua.ls Logo

HUSABERG FS 650 e - Wiring Diagrams for Electrical Systems; FE;FS Electrical Starter Wiring (No Signals); FE;FS Electrical Starter Wiring (With Signals)

HUSABERG FS 650 e
34 pages
Print Icon
To Next Page IconTo Next Page
To Next Page IconTo Next Page
To Previous Page IconTo Previous Page
To Previous Page IconTo Previous Page
Loading...
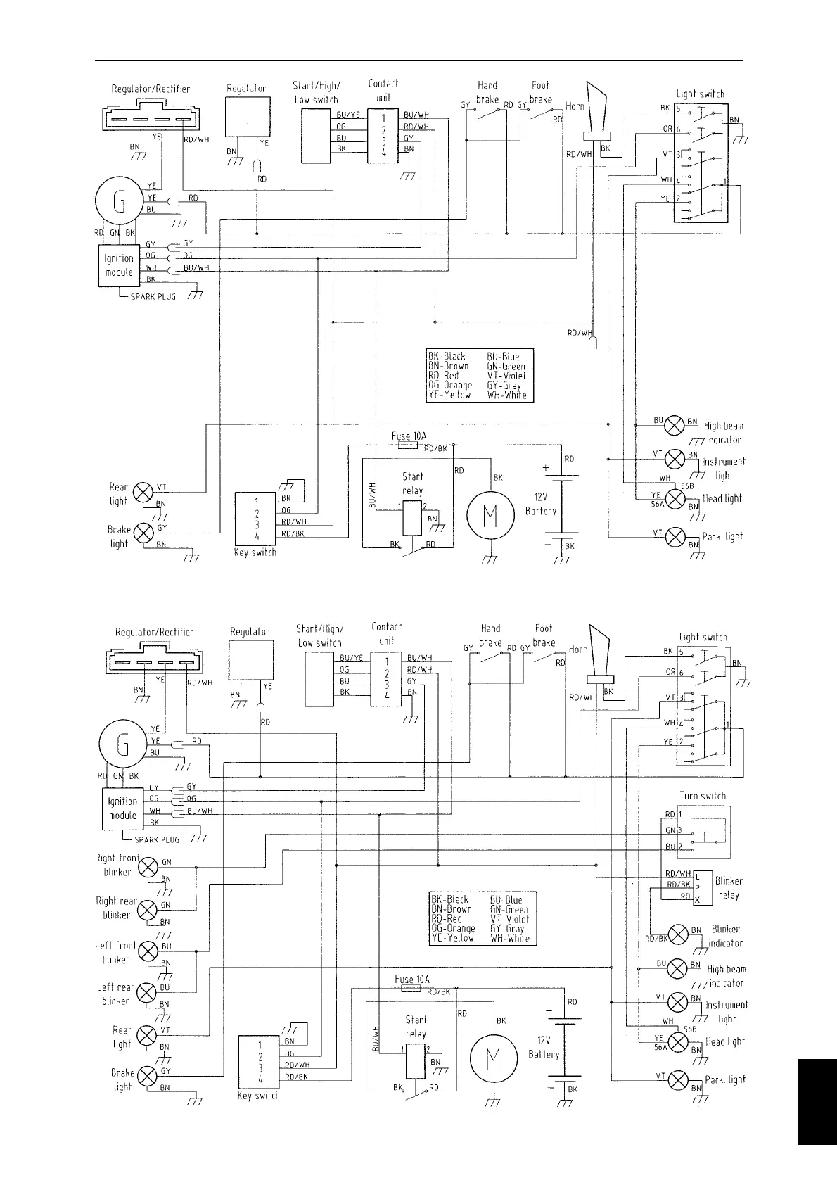
WIRING DIAGRAMS
33
12
FE and FS electrical starter models without turn signals
FE and FS electrical starter models with turn signals
12

Related product manuals