EasyManua.ls Logo

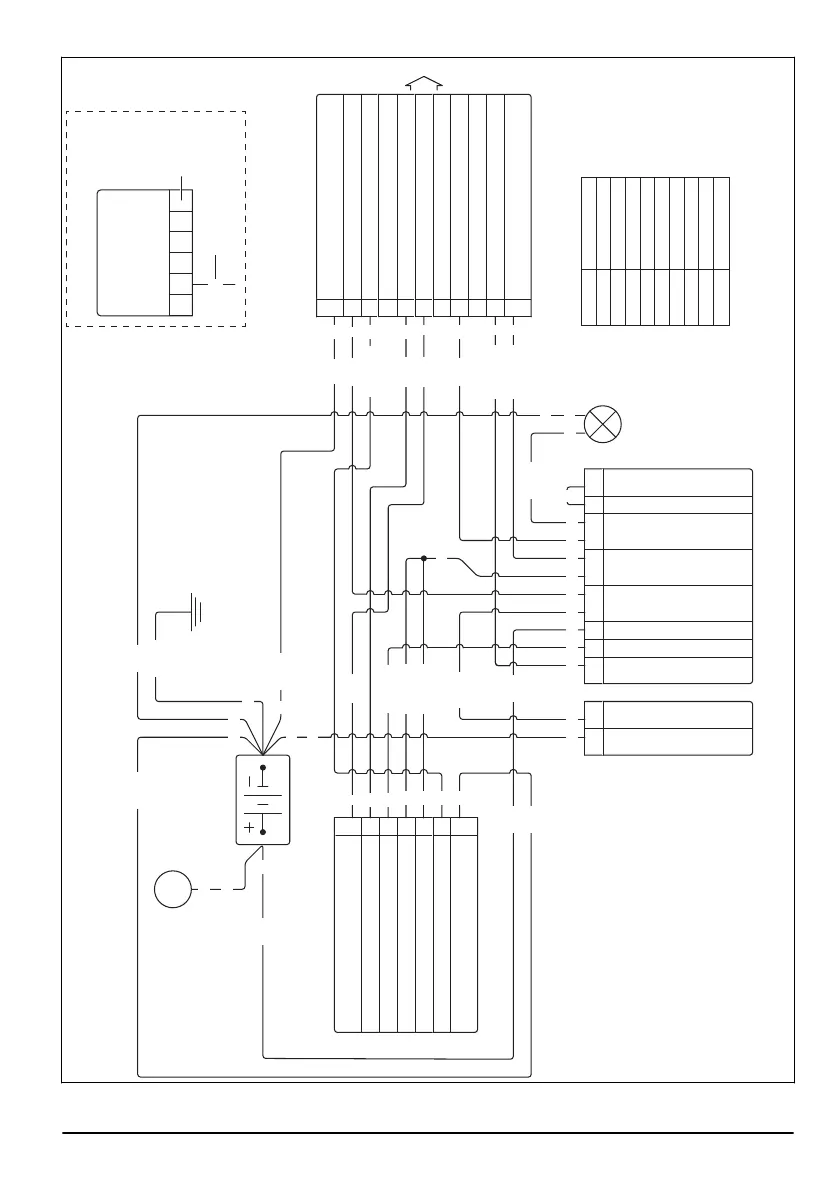
Husqvarna ST 430 - Lower Chassis EFI Harness Diagram

Husqvarna ST 430
84 pages
Print Icon
To Next Page IconTo Next Page
To Next Page IconTo Next Page
To Previous Page IconTo Previous Page
To Previous Page IconTo Previous Page
Loading...
ENGINE
CHARGER
BATTERY
LIGHT
START
MOTOR
1
2
4
5
6
8
12
CHASSIS CONN
1
2
3
4
5
6
7
8
9
10
11
CHASSIS CONN
1A 1B
2A
2B
3A
3B 4A
A
B
4B
M
FUSE BLOCK
10
20
23
14
2
10
7
20
4
6
233 1
1
24
4
21
RED/BLK
RED/WHT
19
19
15
16
21
15
14
BLK
WHT
GRY
RED
BLK
RED
BLU
BLK
BLU
BLK
BLK
RED
RED
RED RED
BLK
BLK
BLK
18
11
13
7
S1
25
BLK BLACK
RED
BLACK & WHITE
BLACK & RED
ORANGE
GRAY
WHITE
BLUE
RED
BLK/WHT
ORN
BLK/RED
RED & WHITERED/WHT
GRY
WHT
BLU
YELLOWYEL
GROUND
ANALOG GROUND
THROTTLE SIGNAL
CHARGING POWER
CHARGING POWER
POWER, STARTER SOLENOID OUTPUT
POWER, STARTER SOLENOID OUTPUT
ACCY FUSED POWER
POWER 12V IGNITION
CHARGING POWER
POWER, 12V, BATT SPLY
POWER, 12V BATTERY
POWER, 12V IGNITION
POWER, 12V IGNITION
POWER, 12V BATT SPLY
POWER, 12V BATT SPLY
GROUND
ACCY POWER
ACCY FUSED POWER
SPARE FUSE
SPARE FUSE
ANALOG GROUND
GROUND
THROTTLE SIGNAL
POWER, 12V IGNITION
Connector label
Circuit Description
Connector
Cavity
#
Circuit Number
Drawing No: 5293604
LOWER - CHASSIS EFI HARNESS
RED/BLK
WHT
RED/WHT
RED/WHT
626
7
RED/WHT
13
5
5
11
BLK/WHT
876 - 019 - 05.10.2023 81

Related product manuals