EasyManua.ls Logo

Husqvarna YTH2348 - Tractor (Model Number YTH2348 (287561) Chassis

Husqvarna YTH2348
52 pages
Print Icon
To Next Page IconTo Next Page
To Next Page IconTo Next Page
To Previous Page IconTo Previous Page
To Previous Page IconTo Previous Page
Loading...
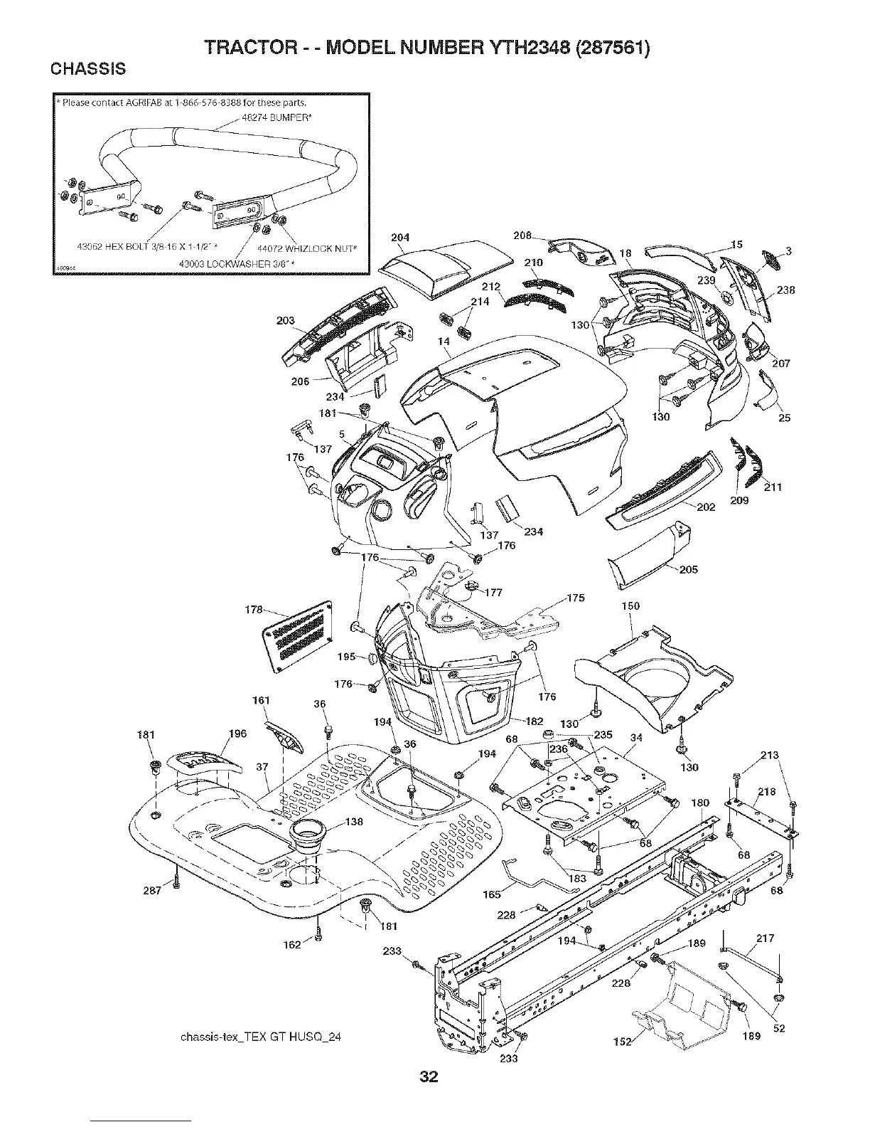
CHASSIS
TRACTOR - - MODEL NUMBER YTH2348 (287561)
Please contact AGRIFABat 1 866 576 8388 for these parts
j 48274 BUMPER*
203
204
18
.238
234
_137
1;
137
j_176
_175
_205
150
25
209
181
I
161
196
176-_"
36
19
176
287 68
chassis-tex TEX GT HUSQ 24
_ 181
233
89 217
I
52
89
233
32

Table of Contents

Related product manuals