EasyManua.ls Logo

Husqvarna YTH2348 - Tractor (Model Number YTH2348 (287561) Mower Deck

Husqvarna YTH2348
52 pages
Print Icon
To Next Page IconTo Next Page
To Next Page IconTo Next Page
To Previous Page IconTo Previous Page
To Previous Page IconTo Previous Page
Loading...
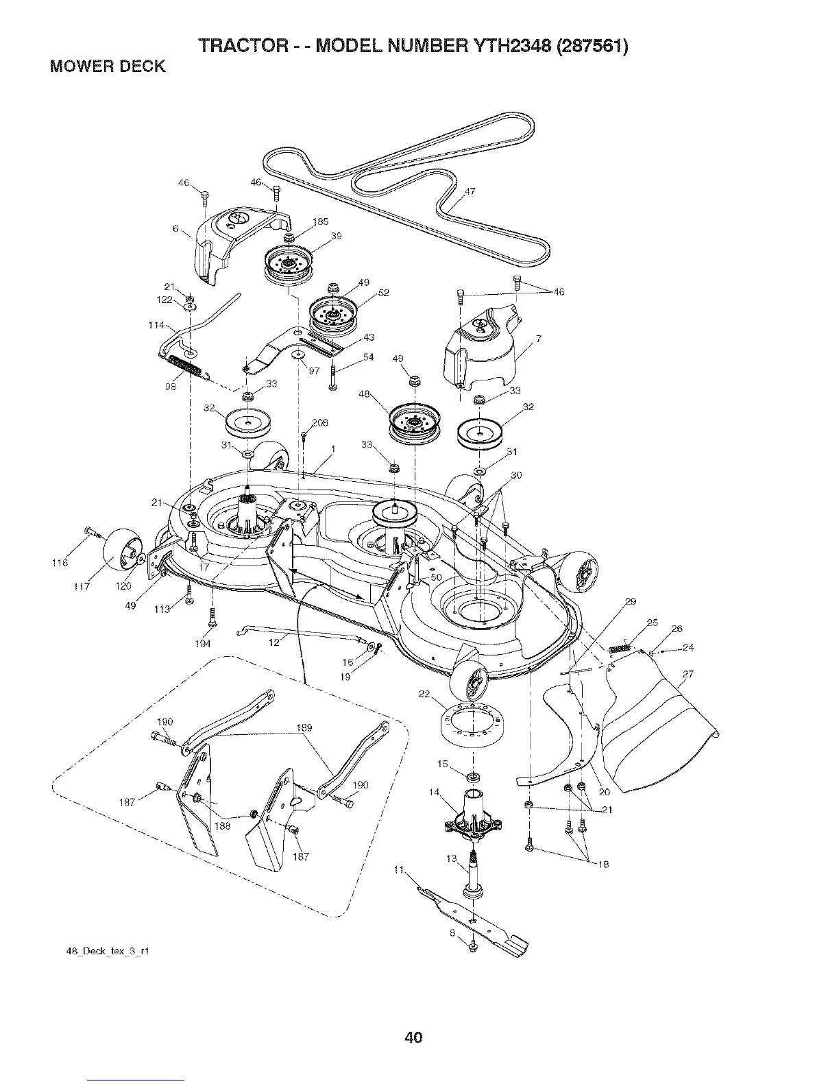
MOWER DECK
TRACTOR - - MODEL NUMBER YTH2348 (287561)
I
54 49
\97 _ _ ,
I 32
2O8
1
3O
116
117
120
49
i
194
I
I'
/
187 /
/
48 Deck tex 3 rl
/
/
/
13
29
/
26
27
4O

Table of Contents

Related product manuals