EasyManua.ls Logo

Hussmann R3 - R3 with Refrigerated Rear Storage

Hussmann R3
36 pages
Print Icon
To Next Page IconTo Next Page
To Next Page IconTo Next Page
To Previous Page IconTo Previous Page
To Previous Page IconTo Previous Page
Loading...
Rev.0208
31
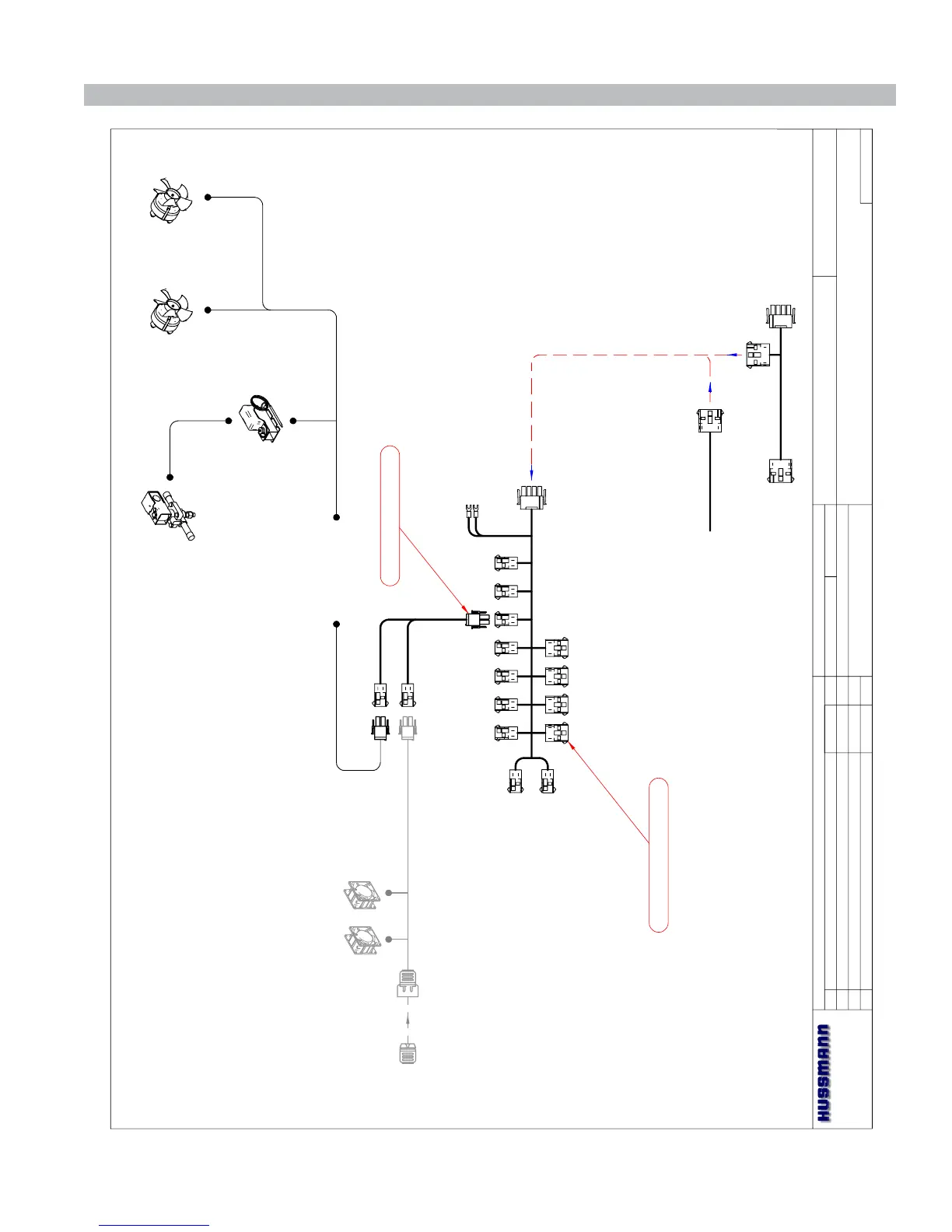
Schematics
R3 with Refrigerated Rear Storage
DATE:
PROJECT TITLE:
DRAWING #:
DRAWN BY:
PRODUCTION ORDER #:
DRAWING TITLE:
DATE:
Hussmann Corporation, Int'l.
13770 Ramona Avenue
Chino, CA. 91710
(909)-590-4910 Lic.#: 644406
REVISIONS:
#: DESCRIPTION:
CHECKED BY:
BY:
FILE LOCATION:
ADRIAN E. CRISCI
AEC
PAGE OF
11
08/22/00
µ
125-04-0119
Ü
125-04-0115
ASCM-MP 125-04-0200
MAIN POWER PANEL
BYPASS HARNESS
Ü
POWER FEED FROM POWER PANEL
THROUGH HARNESS 125-04-0115
REAR STORAGE
T-STAT
REAR STORAGE
SUCTION SOLENOID
EVAPORATOR
FAN
EVAPORATOR
FAN
MOTOR QUANTITY:
4' ~ 6' CASES » 1 FAN
8' ~12' CASES » 2 FANS
NOTE: ALL COMPONENTS ARE HARD WIRED - NO HARNESSES
SERVICE CASE
DELI / MEAT
(TOP SECTION)
NOTE:
PLUG TOP CASE FANS OR REAR STORAGE COILS INTO HUMIDITY SYSTEM FANS
µ
SINGLE CASE PIGTAIL
CASE TO CASE HARNESS
CAP
PRIMARY HARNESS
125-04-0108
EVAPORATOR FANS
H:\WIRING SCHEMATICS\NEWWIRE
R3 - CASES
W1800026
REFRIGERATED REAR STORAGE WIRING

Related product manuals