EasyManua.ls Logo

HydraMaster Boxxer 427 - Page 116

Default Icon
170 pages
Print Icon
To Next Page IconTo Next Page
To Next Page IconTo Next Page
To Previous Page IconTo Previous Page
To Previous Page IconTo Previous Page
Loading...
Boxxer 427 Page 5-7
HydraMaster Corporation
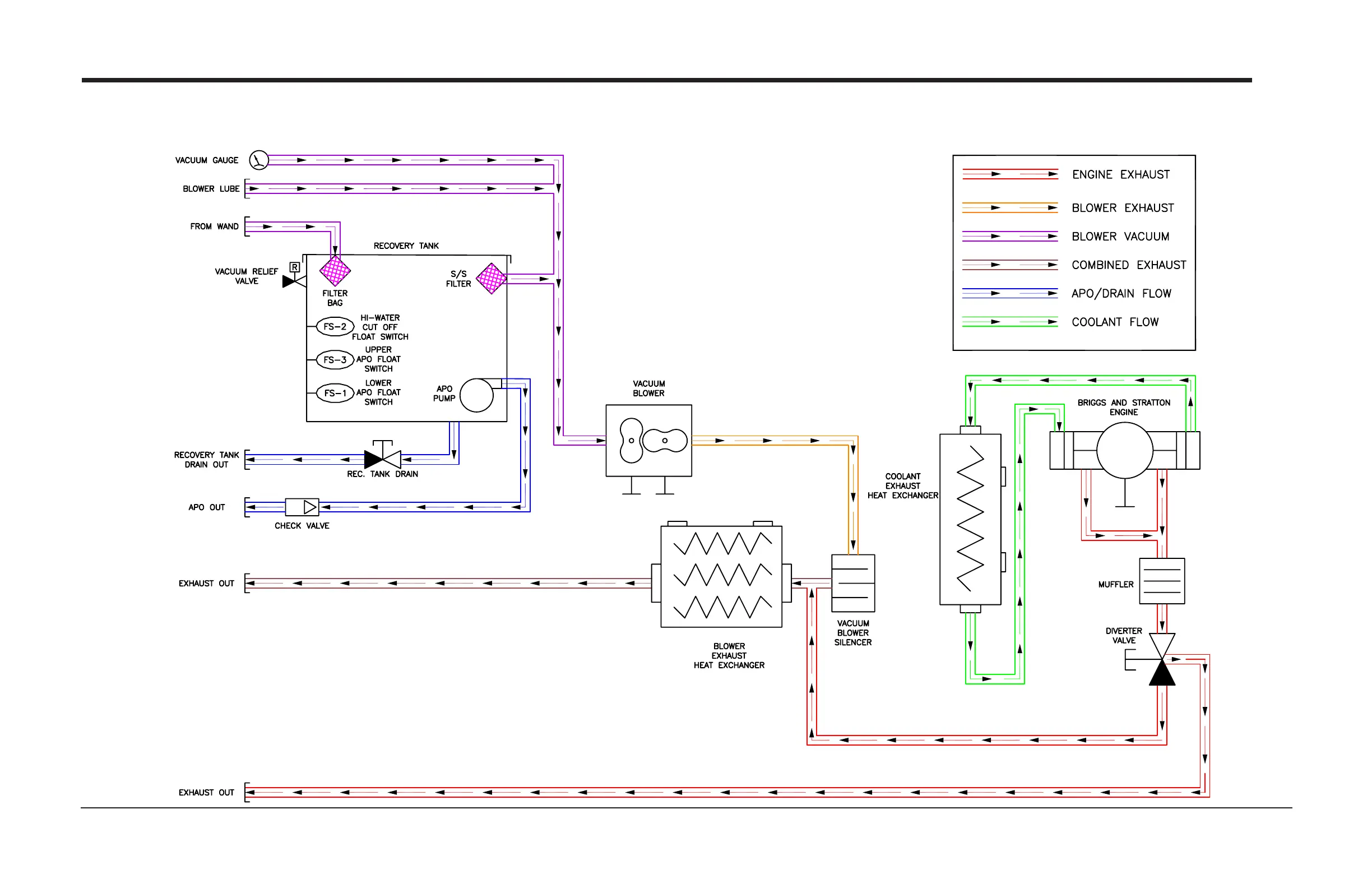
Figure 5.4 Exhaust, Vacuum, Coolant & APO FLow Diagram
D5736, Rev A