EasyManua.ls Logo

HydraMaster Boxxer 427 - Page 150

Default Icon
170 pages
Print Icon
To Next Page IconTo Next Page
To Next Page IconTo Next Page
To Previous Page IconTo Previous Page
To Previous Page IconTo Previous Page
Loading...
Boxxer 427 Page 10-5
HydraMaster Corporation
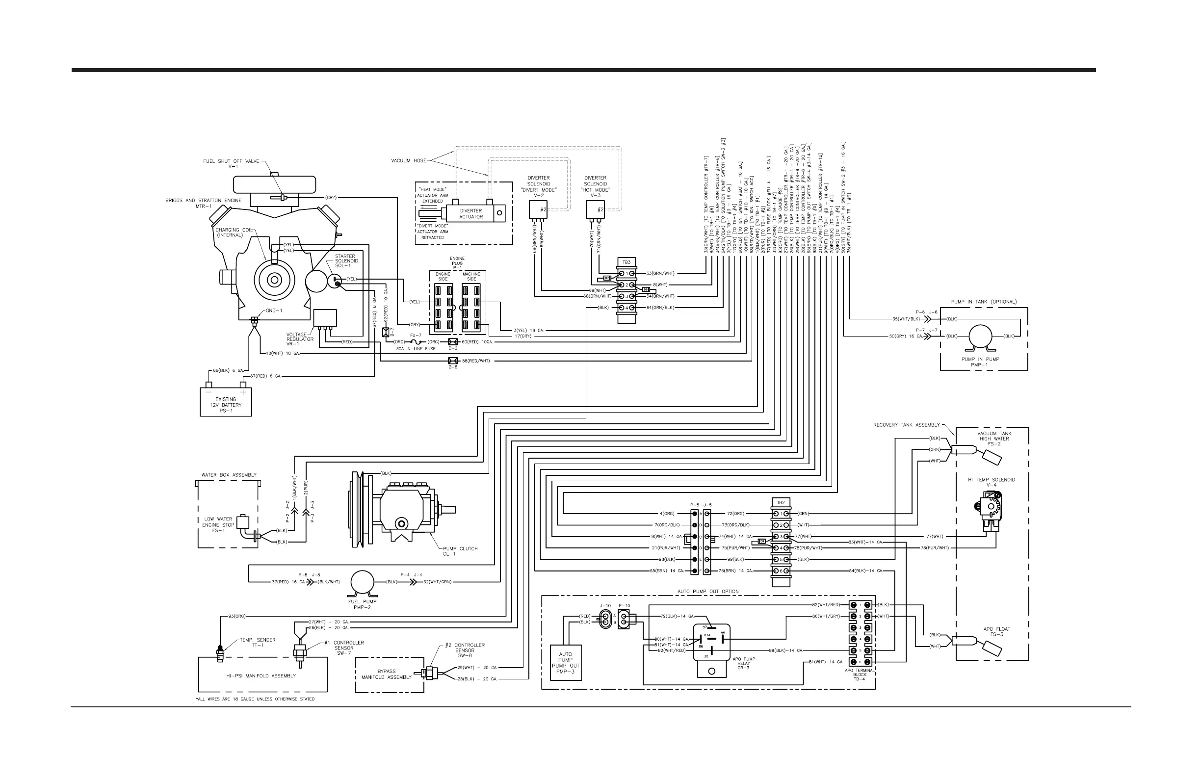
Figure 10-4 Wiring Diagram
D-5737 Sht 4, Rev E

Related product manuals