EasyManua.ls Logo

Hyster B233 - Electrical System Description; Component Location Diagram

Hyster B233
24 pages
Print Icon
To Next Page IconTo Next Page
To Next Page IconTo Next Page
To Previous Page IconTo Previous Page
To Previous Page IconTo Previous Page
Loading...
Description 2200 SRM 1286
Description
ELECTRICAL SYSTEM
The Iskra® AC motor controller controls the AC trac-
tion motor and the DC pump motor. The controller
can also be used with the optional brushless DC
power steering motor. The controller uses CANbus
communication to interact with the dash display and
the control handle. See Figure 2.
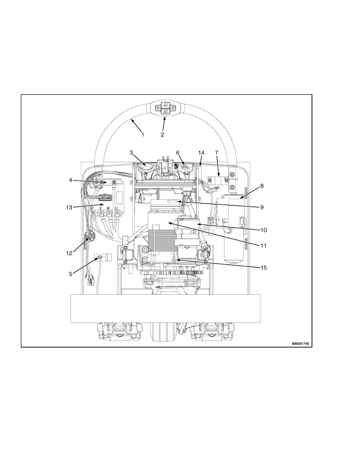
1. GRAB RAIL
2. AUXILIARY CONTROL BOX
3. DAS
HDISPLAY
4. POWER FUSE
5. PC CONNECTOR (ETACC)
6. KEY S
WITCH
7. HORN
8. PUMP MOTOR
9. BRAKE
10. STEER MOTOR (POWER STEER ONLY)
11. TRA
CTION MOTOR
12. CONTACTOR
13. CONTROLLER
14. CONT
ROL MODULE
15. PROXIMITY SWITCH
Figure 2. Component Location (Power Steer Shown)
2

Related product manuals