EasyManua.ls Logo

Hytera RD985 - Page 225

Hytera RD985
333 pages
Print Icon
To Next Page IconTo Next Page
To Next Page IconTo Next Page
To Previous Page IconTo Previous Page
To Previous Page IconTo Previous Page
Loading...
5
5
4
4
3
3
2
2
1
1
D D
C C
B B
A A
NC1
FLControl
PLLLD
LDControl
PLLCLK
PLLSTB
PLLDATA
mod2
C5V
Pre_Drive_EnablePre_Drive_EN
PLL_Power_EnablePLL_Power_EN
T1/T2T1/T2_En
TX9VT9.3V
cv_detect
mod1MOD_H
TX_CV_Detect
PLLCLKTX_PLL_CLK
PLLSTBTX_PLL_CS
PLLDATA
TX_PLL_Data
mod2
MODL_RFCS
PLLLD
TX_PLL_LD
FLControl
TX_FL_Control
LDControl
TX_LD_Control
PLL_3.3V
Fback
CV
TX_PLL_CLK
Pre_Drive_EN
PLL_Power_EN
T1/T2_En
MOD_H
TX_LD_Control
TX_FL_Control
MODL_RFCS
TX_PLL_Data
TX_PLL_CS
T9.3V
TX_CV_Detect
TX_PLL_LD
gps_lp_tx
GPS_LP
gps_lp_txGPS_LP
TX9V
Pre_Drive_Enable
T5V
PLL_Power_Enable
T9V
C5V
C5V
FLControl
C5V
C5V
PLL_3.3V
PLL_3.3V
PLL_3.3V
C5V
C5V
C5V
TX9V
cv_detect
Model Name:
Prepare:
File No.:
Rev:
Date:
Page:
of
Part Name:
HYT Science&technology Co.Ltd.
Check:
Approve:
1.0
22
Tuesday, June 14, 2011
Exciter PLL and Power
HYT-RD-SCD-CD-
TR-988 Exciter Board
Model Name:
Prepare:
File No.:
Rev:
Date:
Page:
of
Part Name:
HYT Science&technology Co.Ltd.
Check:
Approve:
1.0
22
Tuesday, June 14, 2011
Exciter PLL and Power
HYT-RD-SCD-CD-
TR-988 Exciter Board
Model Name:
Prepare:
File No.:
Rev:
Date:
Page:
of
Part Name:
HYT Science&technology Co.Ltd.
Check:
Approve:
1.0
22
Tuesday, June 14, 2011
Exciter PLL and Power
HYT-RD-SCD-CD-
TR-988 Exciter Board
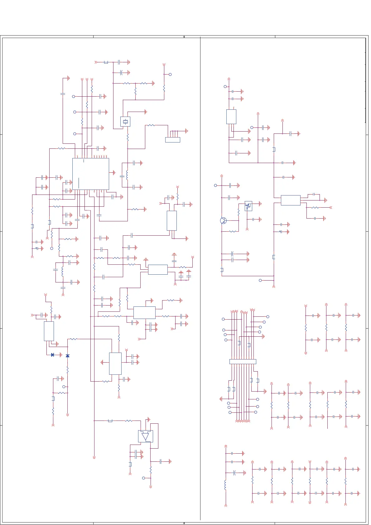
REF OSC
PLL
Connetor and Filter
Power
TO ADC Detect
RD980 U(3)
▔ࢅ⧚೒˄䫕Ⳍ⦃ǃ⬉⑤ঞ᥹ষ⬉䏃˅
C211
0.1u
C211
0.1u
C228
100p
C228
100p
C247
0.1uF
C247
0.1uF
R201
1K
R201
1K
L214
BLM18
L214
BLM18
12
R237
0
R237
0
C237
NC
C237
NC
TP207
MD_2
TP207
MD_2
1
C236
1000pF
C236
1000pF
R213
1k
R213
1k
C232
1000p
C232
1000p
R229
47k
R229
47k
R242
100
R242
100
R212
18nH
R212
18nH
C286
1000pF
C286
1000pF
TP229TP229
1
C291
1000pF
C291
1000pF
C214
0.1u
C214
0.1u
R204
100
R204
100
TP205
PLLDATA
TP205
PLLDATA
1
L216
BLM18
L216
BLM18
12
C305
1000pF
C305
1000pF
C266
1000pF
C266
1000pF
R219
150
R219
150
C220
0.1u
C220
0.1u
TP201
PLLLD
TP201
PLLLD
1
C269
1uF
C269
1uF
R257
NC
R257
NC
TP204
PLLCLK
TP204
PLLCLK
1
R227
0
R227
0
U203U203
NO
1
NC
3
GND
2
Vcc
5
IN
6
COM
4
C213
100p
C213
100p
C215
4p
C215
4p
TP226TP226
1
C217
470p
C217
470p
C267
0.1u
C267
0.1u
C292
1000pF
C292
1000pF
C256
1000pF
C256
1000pF
C203
1000p
C203
1000p
C287
1uF
C287
1uF
C283
470p
C283
470p
R223
1K
R223
1K
C244
NC
C244
NC
R202
10
R202
10
U206
NC
U206
NC
Vin
1
OUT
2
GND
3
Vcc
5
ON/OFF
4
R230
0
R230
0
R210
1k
R210
1k
R256
100
R256
100
J202
CON2X10
J202
CON2X10
12
34
56
78
910
1112
1314
1516
1718
1920
C288
100pF
C288
100pF
L212
BLM18AG601SN1
L212
BLM18AG601SN1
12
R238
10
R238
10
L206
601SN1
L206
601SN1
1 2
L210
390n
L210
390n
R231
1.8K
R231
1.8K
C224
0.027uF
C224
0.027uF
C227
0.068uF
C227
0.068uF
C219
1000p
C219
1000p
C298
100pF
C298
100pF
R243
100K
R243
100K
C294
1000pF
C294
1000pF
C243
0.1u
C243
0.1u
TP210
c5v
TP210
c5v
1
C285
100pF
C285
100pF
C235
0.47uF
C235
0.47uF
C258
1000pF
C258
1000pF
C239
10p
C239
10p
R207
10K
R207
10K
R253
100
R253
100
C279
1000pF
C279
1000pF
C225
100p
C225
100p
D202D202
1 2
TP211
tx9v
TP211
tx9v
1
R228
0
R228
0
R205
4.7k
R205
4.7k
R258
100
R258
100
C257
1000pF
C257
1000pF
C250
1000pF
C250
1000pF
C264
1000p
C264
1000p
R218
22
R218
22
VCC
OUT
VCONT
GND
X201
VCC
OUT
VCONT
GND
X201
1
23
4
TP224TP224
1
R250
100
R250
100
C252
1000pF
C252
1000pF
L207
0.56u
L207
0.56u
TP214TP214
1
R251
100
R251
100
C242
0.1uF
C242
0.1uF
L218
BLM18
L218
BLM18
12
C296
100pF
C296
100pF
C304
1000pF
C304
1000pF
C284
0.1u
C284
0.1u
C265
1000pF
C265
1000pF
C212
100p
C212
100p
TP202
fin
TP202
fin
1
C261
0.1uF
C261
0.1uF
C302
1000pF
C302
1000pF
R206
100
R206
100
Q202Q202
1
3 2
U204
NC
U204
NC
NO
1
NC
3
GND
2
Vcc
5
IN
6
COM
4
C270
0.1u
C270
0.1u
R203
NC
R203
NC
R232
NC
R232
NC
L202
601SN1
L202
601SN1
12
C295
0.1uF
C295
0.1uF
R226
10k
R226
10k
R233
47k
R233
47k
C231
0.1u
C231
0.1u
R209
10
R209
10
C297
100pF
C297
100pF
C249
NC
C249
NC
U208U208
ON/OFF
3
GND
2
NP(VREF)
1
VIN
4
VOUT
5
TP220TP220
1
TP215TP215
1
L205
601SN1
L205
601SN1
1 2
C273
4.7uF/10V
C273
4.7uF/10V
C233
0.47uF
C233
0.47uF
D201
nc
D201
nc
12
R225
0
R225
0
C280
NC
C280
NC
TP221TP221
1
R224
0
R224
0
R252
100
R252
100
R234
NC
R234
NC
R255
47K
R255
47K
R259
100
R259
100
C207
0.1u
C207
0.1u
C268
1000pF
C268
1000pF
L209
BLM18AG601SN1
L209
BLM18AG601SN1
12
L208
601SN1
L208
601SN1
12
C238
NC
C238
NC
C210
15p
C210
15p
+
C263
10u/16V
+
C263
10u/16V
12
C290
1000pF
C290
1000pF
C277
10uF/16V
C277
10uF/16V
R246
1k
R246
1k
C276
0.1u
C276
0.1u
R208
18nH
R208
18nH
R216
51
R216
51
C255
1000pF
C255
1000pF
R241
1K
R241
1K
L217
BLM18
L217
BLM18
12
C275
1000p
C275
1000p
J201
GPS_in
J201
GPS_in
1
2
3
4
5
R221
0
R221
0
C299
100pF
C299
100pF
C254
82pF
C254
82pF
U202U202
VCCecl/cml
1
Fvco_main
2
Fvco_main
3
LD/PS_main
4
VCCcp_main
5
CPout_main
6
N/C
7
Xtalacgnd/OSC
8
Xtalin/OSC
9
Xtalout/NC
10
VCCxtal
11
GNDXtal
12
N/C
13
N/C
14
N/C
15
N/C
16
N/C
17
VCCdigital
19
Data
20
CS
21
Clock
22
N/C
23
Mux_out
24
N/C
18
PowerPAD
25
TP216TP216
1
R239
0
R239
0
R249
100
R249
100
C262
470pF
C262
470pF
C209
0.01u
C209
0.01u
L215
BLM18
L215
BLM18
12
TP218TP218
1
C253
220pF
C253
220pF
C218
NC
C218
NC
C241
1000pF
C241
1000pF
TP217TP217
1
R222
33
R222
33
R245
100
R245
100
C216
100p
C216
100p
TP203
PLLSTB
TP203
PLLSTB
1
U207U207
VDD
1
GND
2
CE
3
NC
4
VOUT
5
C226
0.1uF
C226
0.1uF
C293
1000pF
C293
1000pF
L213
BLM18
L213
BLM18
12
TP206
CV
TP206
CV
1
C204
1u
C204
1u
R244
100
R244
100
TP228TP228
1
C281
100pF
C281
100pF
C272
1000pF
C272
1000pF
TP209
pll_3.3v
TP209
pll_3.3v
1
C303
1000pF
C303
1000pF
L204
18n
L204
18n
C208
1p
C208
1p
C260
0.1u
C260
0.1u
C240
10p
C240
10p
L203
601SN1
L203
601SN1
12
C282
100pF
C282
100pF
R247
47k
R247
47k
C248
0.1u
C248
0.1u
C251
1000pF
C251
1000pF
TP219TP219
1
U205U205
Vin
1
OUT
2
GND
3
Vcc
5
ON/OFF
4
R217
68
R217
68
C245
1000p
C245
1000p
C271
1000p
C271
1000p
C289
100pF
C289
100pF
C201
1000p
C201
1000p
TP222TP222
1
+
C259
6.8u/25V
+
C259
6.8u/25V
12
R248
1.5k
R248
1.5k
C246
1000pF
C246
1000pF
R211
10p
R211
10p
C234
0.1u
C234
0.1u
L201
601SN1
L201
601SN1
1 2
C223
0.012uF
C223
0.012uF
R215
51
R215
51
C221
100p
C221
100p
C202
NC
C202
NC
C222
100p
C222
100p
C205
NC
C205
NC
L211
BLM18AG601SN1
L211
BLM18AG601SN1
1 2
R235
10k
R235
10k
R220
0
R220
0
U201
NC
U201
NC
Vin
1
OUT
2
GND
3
Vcc
5
ON/OFF
4
Q203Q203
3
1
2
R240
NC
R240
NC
C278
470p
C278
470p
C206
3p
C206
3p
R254
100
R254
100
C274
1000pF
C274
1000pF
+
-
VCC
OUT
IN+
IN-
VEE
U209
+
-
VCC
OUT
IN+
IN-
VEE
U209
1
2
34
5
R214
51
R214
51
+
C230
10u/10V
+
C230
10u/10V
12
TP208
t9v
TP208
t9v
1
TP225TP225
1
C229
5p
C229
5p
RD98X Schematic Diagram (Exciter_PLL/Power Supply/Connector Circuit)
222

Other manuals for Hytera RD985

Related product manuals